
Valve Finder
Stahlkugelhähne
Serie 104xx1/25, Flansch / Flansch, reduzierter Durchgang, DN 100-500, PN 25

DN 100-500
Werkstoffe
| Gehäuse | DN 100-500: Stahl, P235GH (1.0345) |
| Kugel | DN 100-500: Edelstahl, X5CrNi18-10 (1.4301) |
| Dichtung der Kugel | DN 100-500: PTFE+C |
| Spindel | DN 100: Edelstahl, X8CrNiS18-9 (1.4305) DN 125-150: Edelstahl, X17CrNi16-2 (1.4057) DN 200-500: Edelstahl, X8CrNiS18-9 (1.4305) |
| Dichtung der Spindel | DN 100-500: FPM |
Befestigungen
| Flansch / Flansch | EN 1092-1 Erhältlich PN 10, 16, 25, 40 |
Betätigung
| DN 100-500 | Handgetriebe |
Betriebsbedingungen
| Temperatur | -20 °C - +200 °C |
| Leckrate | A (EN 12266-1) |
Unter -20 °C Hersteller kontaktieren. Niedrigste, erlaubte Umgebungstemperatur -40 °C.

DN 100-500
Wasser
Dampf (nicht geeignet)
kurzfristig geeignet
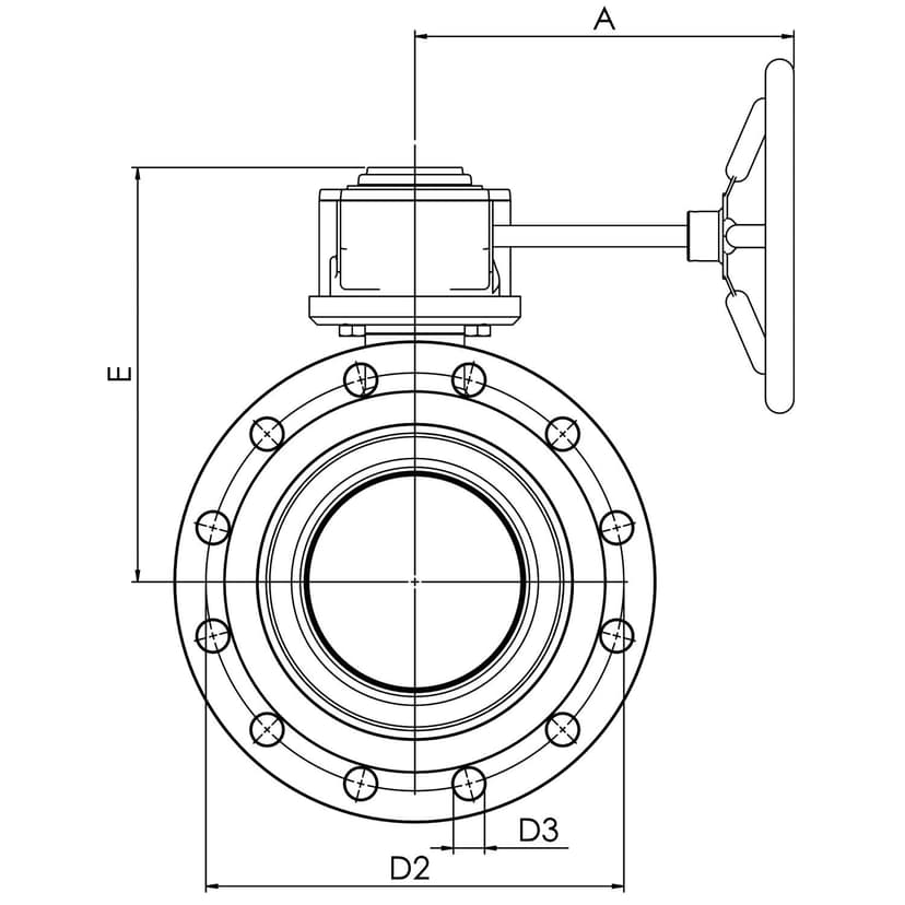
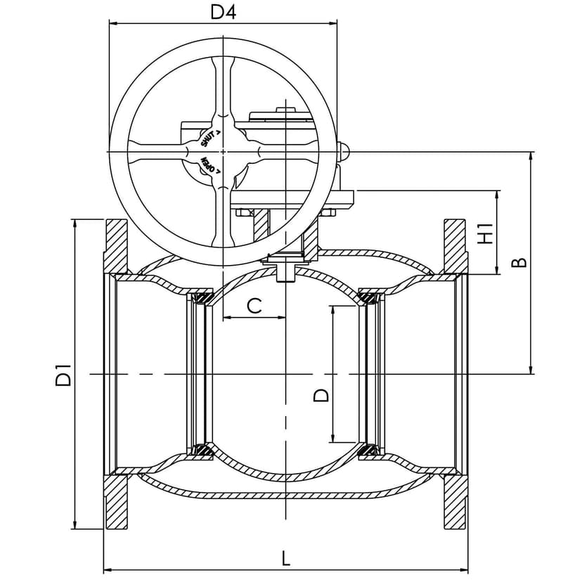
Abmessungen
DN 100-500

DN 100-500

DN 100-500
| DN | PN | Produktnr. | A | B | C | D | D1 | D2 | D3 | D4 | E | H1 | L | Kg |
|---|---|---|---|---|---|---|---|---|---|---|---|---|---|---|
| 100 | 25 | 104101/25 | 186.0 | 206 | 53 | 80.0 | 235 | 190 | 22 | 125 | 248 | 114.0 | 300 | 26 |
| 125 | 25 | 104126/25 | 224.0 | 216 | 53 | 100.0 | 270 | 220 | 26 | 200 | 258 | 112.0 | 325 | 35 |
| 150 | 25 | 104151/25 | 224.0 | 236 | 53 | 125.0 | 300 | 250 | 26 | 200 | 279 | 118.0 | 350 | 44 |
| 200 | 25 | 104201/25 | 268.0 | 244 | 69 | 150.0 | 360 | 310 | 26 | 250 | 293 | 92.0 | 400 | 78 |
| 250 | 25 | 104251/25 | 301.0 | 294 | 97 | 200.0 | 425 | 370 | 30 | 300 | 345 | 108.0 | 500 | 134 |
| 300 | 25 | 104301/25 | 363.0 | 343 | 118 | 250.0 | 485 | 430 | 30 | 500 | 412 | 115.0 | 500 | 205 |
| 350 | 25 | 104351/25 | 363.0 | 418 | 118 | 290.0 | 555 | 490 | 33 | 500 | 487 | 192.0 | 706 | 295 |
| 400 | 25 | 104401/25 | 444.0 | 500 | 138 | 340.0 | 620 | 550 | 36 | 500 | 573 | 242.0 | 810 | 408 |
| 450 | 25 | 104451/25 | 471.0 | 576 | 180 | 390.0 | 670 | 600 | 36 | 500 | 648 | 282.0 | 978 | 714 |
| 500 | 25 | 104501/25 | 475.0 | 577 | 180 | 390.0 | 730 | 660 | 36 | 500 | 648 | 259.0 | 978 | 640 |
Produktnummernkonvertierungen
| Produktnr. | Alte Naval Produktnr. | EAN | LVI | RSK |
|---|---|---|---|---|
| 104101/25 | 285592 | 6415837553867 | 3755386 | 5497056 |
| 104126/25 | 285593 | 6415837553874 | 3755387 | 5497057 |
| 104151/25 | 285594 | 6415837553881 | 3755388 | 5497058 |
| 104201/25 | 285596 | 6415837553898 | 3755389 | 5497059 |
| 104251/25 | 285597 | 6415837553904 | 3755390 | 5497060 |
| 104301/25 | 285598 | 6415837553911 | 3755391 | 5497061 |
| 104351/25 | 285595 | 6415837553928 | 3755392 | 5497062 |
| 104401/25 | 285599 | 6415837553935 | 3755393 | 5497063 |
| 104451/25 | ||||
| 104501/25 | 285500 | 6415837553942 | 3755394 | 5497064 |
Technische Unterlagen zum Produkt
Betriebshandbuch

PDF
Kv Value Chart Of Vexve Floating Ball Valves
PDF
Stahlkugelhähne, Kupplungsmaße
PDF
Vexve Ball Valves Operating Torques EN
PDF
Zertifikate

EPD HUB 2855 TrunnionMountedBallValves
PDF