
Valve Finder
Netzerweiterung, Anbohrkugelhähne
Serie 126xx1, Flansch / Schweißende, EN (DIN), voller Durchgang, DN 150-200, PN 25

DN 150-200
Werkstoffe
| Gehäuse | DN 150-200: Stahl, P235GH (1.0345) |
| Kugel | DN 150-200: Edelstahl, X5CrNi18-10 (1.4301) |
| Spindel | DN 150-200: Edelstahl, X8CrNiS18-9 (1.4305) |
| Dichtung der Spindel | DN 150-200: FPM |
Befestigungen
| Flansch / Schweißende, EN (DIN) |
Betätigung
| DN 150-200 | mit Hülsenschlüssel |
Betriebsbedingungen
| Temperatur | -20 °C - +200 °C |
| Leckrate | A (EN 12266-1) |
Unter -20 °C Hersteller kontaktieren. Niedrigste, erlaubte Umgebungstemperatur -40 °C.

DN 150-200
Wasser
Dampf (nicht geeignet)
kurzfristig geeignet
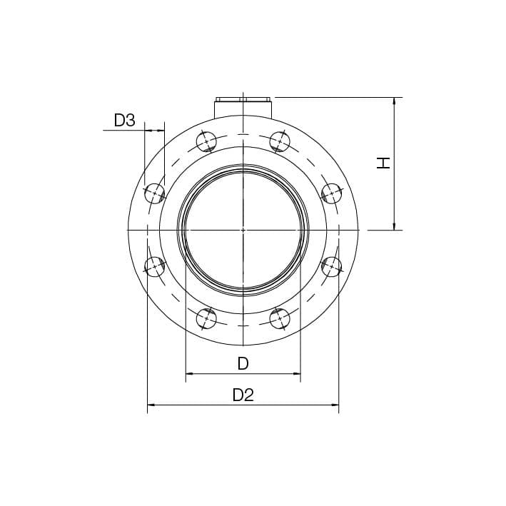
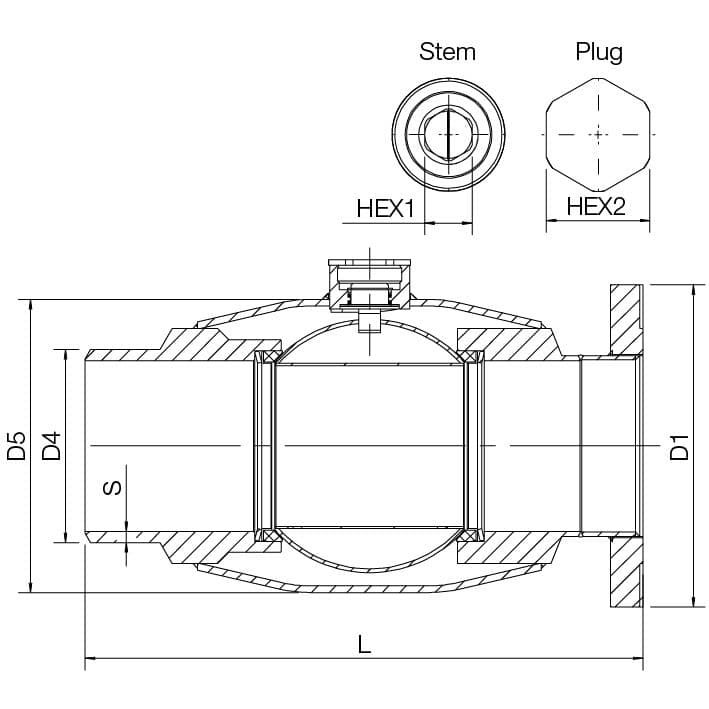
Abmessungen
DN 150-200

DN 150-200

DN 150-200
| DN | PN | Produktnr. | D | D1 | D2 | D3 | D4 | D5 | H | L | S | HEX1 | HEX2 | Kg |
|---|---|---|---|---|---|---|---|---|---|---|---|---|---|---|
| 150 | 25 | 126151 | 150.0 | 300 | 250 | 26 | 180 | 273 | 174 | 520 | 10.4 | 32 | 65 | 63 |
| 200 | 25 | 126201 | 150.0 | 360 | 310 | 26 | 180 | 273 | 173 | 523 | 10.4 | 32 | 65 | 59 |
*DN 200 reduzierter Durchgang
Produktnummernkonvertierungen
| Produktnr. | EAN | LVI |
|---|---|---|
| 126151 | 6415837554338 | 3755433 |
| 126201 | 6415837554345 | 3755434 |
Technische Unterlagen zum Produkt
Betriebshandbuch

PDF
Kv Value Chart Of Vexve Floating Ball Valves
PDF
Vexve Ball Valves Operating Torques EN
PDF