
Valve Finder
Kugelhähne mit zapfengelagerter Kugel
Serie 150/TR, Schweißende / Schweißende, EN (DIN), voller Durchgang, DN 125-1200, PN 25

DN 125-1200
Werkstoffe
| Gehäuse | DN 125-150: Steel P235GH (1.0345) / P355NH (1.0565) DN 200-400: Stahl, P355QH (1.0571) / P355NL1 (1.0566) / P355NH (1.0565) DN 450-1200: Stahl, P355QH (1.0571) / P355NH (1.0565) |
| Kugel | DN 125-1200: Stahl + rostfreie Plattierung, ASTM A350 LF2 +Ni |
| Dichtung der Kugel | DN 125-1200: PTFE+C |
| Spindel | DN 125-1200: Edelstahl, X17CrNi16-2 (1.4057) |
| Dichtung der Spindel | DN 125-1200: FPM |
Befestigungen
| Schweißende / Schweißende, EN (DIN) |
Zubehör
DN 125 ist ausgerüstet mit : Entleerventil, DN 150-1200 ist ausgerüstet mit : Hebeösen, Standfuß Entleerungskugelhahn: DN 15 für DN 125-150 Kugelhähne, DN 20 für DN 200-400 Kugelhähne, DN 32 für DN 450-1200 Kugelhähne |
Betätigung
| DN 125-150 | Griff aus verzinktem Stahl |
| DN 200-1200 | mit Handgetriebe, elektrischem oder hydraulischem Antrieb erhältlich |
Betriebsbedingungen
| Temperatur | 0 °C - +200 °C |
| Leckrate | A (EN 12266-1) |
Unter 0 °C Hersteller kontaktieren. Niedrigste, erlaubte Umgebungstemperatur -20 °C.

DN 125-1200
Wasser
Dampf (nicht geeignet)
kurzfristig geeignet
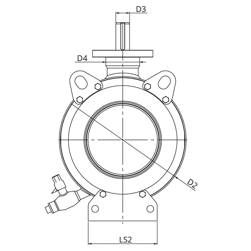
Abmessungen
DN 125-1200

DN 125-150

DN 200-1200

DN 200-1200
| DN | PN | Produktnr. | A | D | D1 | D2 | D3 | D4 | H | H1 | H2 | H3 | HS1 | L | LS1 | LS2 | S | Kg |
|---|---|---|---|---|---|---|---|---|---|---|---|---|---|---|---|---|---|---|
| 125 | 25 | 150125/TR | 600.0 | 125.0 | 139.7 | 219.1 | 59.5 | 223 | 143.0 | 73 | 320 | 4.5 | 35 | |||||
| 150 | 25 | 150150/TR | 870.0 | 150.0 | 168.3 | 273.0 | 74.5 | 264 | 179.0 | 95 | 169 | 457 | 210 | 160 | 4.5 | 76 | ||
| 200 | 25 | 150200/TR | 201.0 | 219.1 | 368.0 | 40 | 98.0 | 260.0 | 150 | 56 | 235 | 521 | 234 | 200 | 5.0 | 163 | ||
| 250 | 25 | 150250/TR | 250.0 | 273.0 | 440.0 | 50 | 110.0 | 302.0 | 166 | 62 | 280 | 559 | 250 | 240 | 5.0 | 251 | ||
| 300 | 25 | 150300/TR | 300.0 | 323.9 | 510.0 | 50 | 110.0 | 337.0 | 175 | 62 | 314 | 635 | 290 | 280 | 5.6 | 371 | ||
| 350 | 25 | 150350/TR | 340.0 | 355.6 | 590.0 | 70 | 135.0 | 400.0 | 222 | 80 | 360 | 762 | 348 | 320 | 6.3 | 605 | ||
| 400 | 25 | 150400/TR | 385.0 | 406.4 | 640.0 | 70 | 135.0 | 425.0 | 221 | 80 | 390 | 838 | 362 | 350 | 7.1 | 723 | ||
| 450 | 25 | 150450/TR | 436.0 | 457.0 | 740.0 | 75 | 180.0 | 490.0 | 262 | 86 | 530 | 914 | 456 | 400 | 6.3 | 997 | ||
| 500 | 25 | 150500/TR | 487.0 | 508.0 | 822.0 | 90 | 200.0 | 537.0 | 283 | 88 | 580 | 991 | 472 | 420 | 6.3 | 1273 | ||
| 600 | 25 | 150600/TR | 589.0 | 610.0 | 980.0 | 98 | 200.0 | 616.0 | 311 | 88 | 660 | 1143 | 524 | 450 | 7.1 | 2074 | ||
| 700 | 25 | 150700/TR | 684.0 | 711.0 | 1125.0 | 98 | 230.0 | 722.0 | 366 | 111 | 700 | 1346 | 572 | 450 | 8.0 | 3144 | ||
| 800 | 25 | 150800/TR | 779.0 | 813.0 | 1290.0 | 120 | 270.0 | 833.0 | 426 | 138 | 840 | 1524 | 700 | 600 | 8.8 | 4718 | ||
| 900 | 25 | 150900/TR | 874.0 | 914.0 | 1440.0 | 120 | 270.0 | 908.0 | 451 | 138 | 900 | 1727 | 770 | 600 | 10.0 | 6154 | ||
| 1000 | 25 | 1501000/TR | 976.0 | 1016.0 | 1600.0 | 135 | 290.0 | 1010.0 | 502 | 156 | 970 | 1870 | 876 | 750 | 11.0 | 8696 | ||
| 1200 | 25 | 1501200/TR | 1166.0 | 1220.0 | 1910.0 | 140 | 300.0 | 1165.0 | 555 | 156 | 1120 | 2216 | 1000 | 900 | 12.5 | 14242 |
Auch in PN 40 erhältlich. Weitere Informationen erhalten Sie von unserem Kundenservice. Größe DN 450-1200 hergestellt von ARMATURY Group a.s., einem Teil der Vexve.
Produktnummernkonvertierungen
| Produktnr. | Alte Naval Produktnr. |
|---|---|
| 150125/TR | |
| 150150/TR | 234454/TR |
| 150200/TR | 234456/TR |
| 150250/TR | 23443705/TR |
| 150300/TR | 23447805/TR |
| 150350/TR | 23449605/TR |
| 150400/TR | 23447905/TR |
| 150450/TR | 23444205/TR |
| 150500/TR | 23446005/TR |
| 150600/TR | 23448105/TR |
| 150700/TR | 23448205/TR |
| 150800/TR | 23448305/TR |
| 150900/TR | 23448405/TR |
| 1501000/TR | |
| 1501200/TR |
Technische Unterlagen zum Produkt
Betriebshandbuch


Kv Values For Fb Trunnion Mounted Ball Valves EN 2022
PDF
Operating Torques Vexve Trunnion Mounted Ball Valves 2025 EN
PDF
Zertifikate

AG Declaration Of Conformity
PDF
EPD HUB 2855 TrunnionMountedBallValves
PDF