
Kv Value Chart Of Vexve Floating Ball Valves
PDF
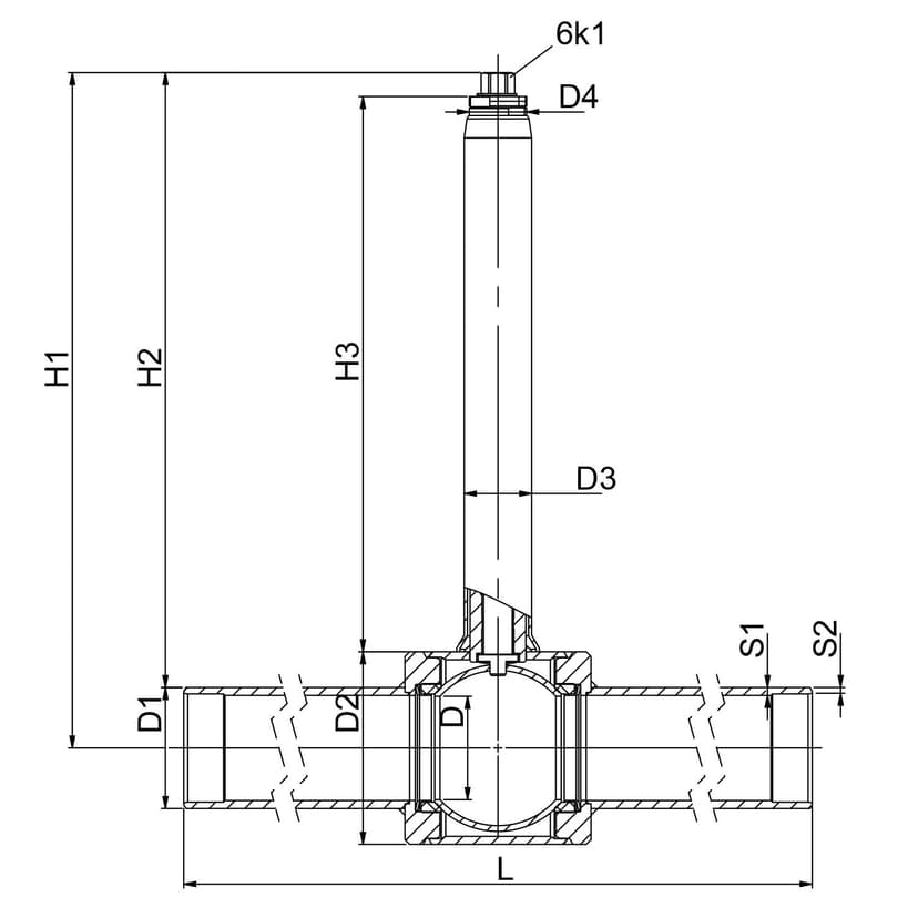
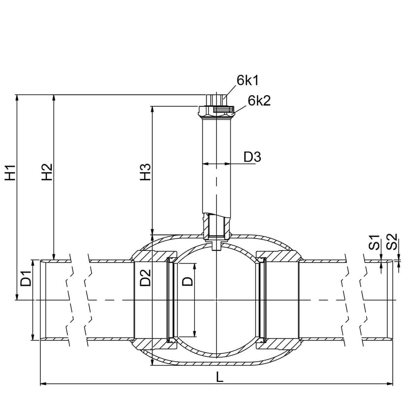
Serie 157/SL, Schweißende / Schweißende, EN (DIN), voller Durchgang, DN 25-300, PN 25

| Gehäuse | DN 25-300: Stahl, P235GH (1.0345) |
| Kugel | DN 25-300: Edelstahl, X5CrNi18-10 (1.4301) |
| Dichtung der Kugel | DN 25-300: PTFE+C |
| Spindel | DN 25-80: Edelstahl, X8CrNiS18-9 (1.4305) DN 100-125: Edelstahl, X17CrNi16-2 (1.4057) DN 150-300: Edelstahl, X8CrNiS18-9 (1.4305) |
| Dichtung der Spindel | DN 25-300: FPM |
| Spindeltop | DN 25-300: Edelstahl, X5CrNi18-10 (1.4301) |
| Schweißende / Schweißende, EN (DIN) |
| DN 25-125 | erhältlich mit T-Schlüssel |
| DN 150-300 | erhältlich mit Tragbares Planetengetriebe |
| Temperatur | -20 °C - +200 °C |
| Leckrate | A (EN 12266-1) |
Unter -20 °C Hersteller kontaktieren. Niedrigste, erlaubte Umgebungstemperatur -40 °C.



| DN | PN | Produktnr. | D | D1 | D2 | D3 | D4 | H1 | H2 | H3 | L | S1 | S2 | 6K1 | 6K2 | Kg |
|---|---|---|---|---|---|---|---|---|---|---|---|---|---|---|---|---|
| 25 | 25 | 157025/SL | 25.0 | 33.7 | 60.3 | 33.7 | 36 | 386.0 | 369 | 341 | 1500 | 4.0 | 2.6 | 19 | 7 | |
| 32 | 25 | 157032/SL | 32.0 | 42.4 | 70.0 | 33.7 | 36 | 400.0 | 379 | 350 | 1500 | 4.5 | 2.6 | 19 | 9 | |
| 40 | 25 | 157040/SL | 40.0 | 48.3 | 76.1 | 33.7 | 36 | 406.0 | 382 | 353 | 1500 | 3.6 | 2.6 | 19 | 9 | |
| 50 | 25 | 157050/SL | 50.0 | 60.3 | 101.6 | 42.4 | 36 | 415.0 | 384 | 349 | 1500 | 4.0 | 2.9 | 19 | 13 | |
| 65 | 25 | 157065/SL | 65.0 | 76.1 | 121.0 | 42.4 | 36 | 425.0 | 386 | 349 | 1500 | 5.0 | 2.9 | 19 | 19 | |
| 80 | 25 | 157080/SL | 80.0 | 88.9 | 146.0 | 60.3 | 60 | 449.0 | 405 | 354 | 1500 | 4.0 | 3.2 | 27 | 22 | |
| 100 | 25 | 157100/SL | 100.0 | 114.3 | 177.8 | 60.3 | 60 | 454.0 | 397 | 344 | 1500 | 6.3 | 3.6 | 27 | 39 | |
| 125 | 25 | 157125/SL | 125.0 | 139.7 | 219.1 | 60.3 | 60 | 476.0 | 406 | 345 | 1500 | 6.3 | 4.0 | 27 | 52 | |
| 150 | 25 | 157150/SL | 150.0 | 168.3 | 273.0 | 76.1 | 517.0 | 432 | 349 | 1500 | 7.1 | 4.5 | 50 | 90 | 92 | |
| 200 | 25 | 157200/SL | 200.0 | 219.1 | 355.6 | 88.9 | 560.0 | 450 | 350 | 1500 | 7.1 | 5.0 | 50 | 90 | 140 | |
| 250 | 25 | 157250/SL | 250.0 | 273.0 | 457.0 | 101.6 | 610.0 | 473 | 350 | 1500 | 8.8 | 5.0 | 50 | 90 | 198 | |
| 300 | 25 | 157300/SE | 290.0 | 323.9 | 508.0 | 139.7 | 636.0 | 474 | 351 | 1800 | 8.8 | 5.6 | 50 | 90 | 257 |
Auch mit anderen Spindellängen erhältlich.



