

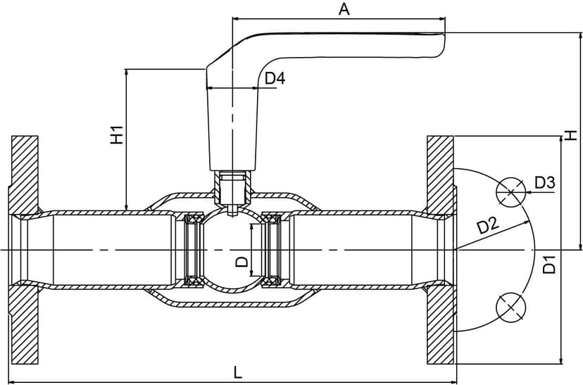
DN 15-40
Werkstoffe
| Gehäuse | DN 15-400: Stahl, P235GH (1.0345) |
| Kugel | DN 15-400: Edelstahl, X5CrNi18-10 (1.4301) |
| Dichtung der Kugel | DN 15-400: PTFE+C |
| Spindel | DN 15-80: Edelstahl, X8CrNiS18-9 (1.4305) DN 100-125: Edelstahl, X17CrNi16-2 (1.4057) DN 150-400: Edelstahl, X8CrNiS18-9 (1.4305) |
| Dichtung der Spindel | DN 15-40: FPM/NBR DN 50-400: NBR |
Befestigungen
| Flansch / Flansch | EN 1092-1 Erhältlich PN 10, 16, 25, 40 |
Betätigung
| DN 15-40 | Griff aus Kompositmaterial |
| DN 50-200 | Griff aus verzinktem Stahl |
| DN 250-400 | mit Handgetriebe, elektrischem oder hydraulischem Antrieb erhältlich |
Wir empfehlen eine Betätigung mit Handgetriebe für Nennweiten DN 200 und größer.
Betriebsbedingungen
| Temperatur | -40 °C - +70 °C |
| Leckrate | A (EN 12266-1) |
Unter -30 °C Hersteller kontaktieren. Niedrigste, erlaubte Umgebungstemperatur -40 °C.

DN 15-400
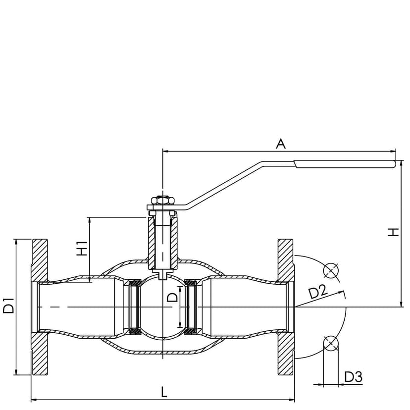
Abmessungen
DN 15-400

DN 15-40

DN 50-125

DN 150-300

DN 350-400
| DN | PN | Produktnr. | A | D | D1 | D2 | D3 | D4 | H | H1 | L | Kg |
|---|---|---|---|---|---|---|---|---|---|---|---|---|
| 15 | 40 | 309015X | 130.0 | 15.0 | 95 | 65 | 14 | 32 | 123 | 87.0 | 245 | 2.5 |
| 20 | 40 | 309020X | 130.0 | 20.0 | 105 | 75 | 14 | 32 | 125 | 86.0 | 245 | 3.0 |
| 25 | 40 | 309025X | 130.0 | 25.0 | 115 | 85 | 14 | 32 | 129 | 85.0 | 275 | 4.0 |
| 32 | 40 | 309032X | 130.0 | 32.0 | 140 | 100 | 18 | 32 | 133 | 87.0 | 275 | 5.5 |
| 40 | 40 | 309040X | 130.0 | 40.0 | 150 | 110 | 18 | 32 | 140 | 88.0 | 320 | 6.8 |
| 50 | 25 | 309050 | 277.5 | 50.0 | 165 | 125 | 18 | 160 | 70.0 | 320 | 9.5 | |
| 65 | 16 | 309065 | 277.5 | 65.0 | 185 | 145 | 18 | 171 | 74.0 | 325 | 13.5 | |
| 80 | 16 | 309080 | 277.5 | 80.0 | 200 | 160 | 18 | 218 | 114.0 | 350 | 19.0 | |
| 100 | 16 | 309100 | 400.0 | 100.0 | 220 | 180 | 18 | 252 | 114.0 | 350 | 24.0 | |
| 125 | 16 | 309125 | 600.0 | 125.0 | 250 | 210 | 18 | 270 | 122.0 | 375 | 34.0 | |
| 150 | 16 | 309150 | 870.0 | 150.0 | 285 | 240 | 22 | 280 | 118.0 | 375 | 48.0 | |
| 200 | 16 | 309200 | 1200.0 | 200.0 | 340 | 295 | 22 | 350 | 135.0 | 425 | 80.0 | |
| 250 | 16 | 309250 | 250.0 | 405 | 355 | 26 | 158.0 | 533 | 116.0 | |||
| 300 | 16 | 309300 | 290.0 | 460 | 410 | 26 | 208.0 | 716 | 220.0 | |||
| 350 | 16 | 309350 | 340.0 | 520 | 470 | 26 | 267.0 | 802 | 350.0 | |||
| 400 | 16 | 309400 | 390.0 | 580 | 525 | 30 | 309.0 | 1016 | 635.0 |
Produktnummernkonvertierungen
| Produktnr. | Alte Naval Produktnr. | LVI | RSK | NRF |
|---|---|---|---|---|
| 309015X | 3785305 | 5495292 | 5599474 | |
| 309020X | 3785306 | 5495293 | 5599475 | |
| 309025X | 3785307 | 5495294 | 5599476 | |
| 309032X | 3785308 | 5495295 | 5599477 | |
| 309040X | 3785309 | 5495296 | 5599478 | |
| 309050 | 250509 | 3785217 | ||
| 309065 | 250510 | 3785218 | ||
| 309080 | 250511 | 3785219 | ||
| 309100 | 250512 | 3785220 | ||
| 309125 | 250513 | 3785221 | ||
| 309150 | 250514 | 3785222 | ||
| 309200 | 250516 | 3785223 | ||
| 309250 | 25053705 | 3785236 | ||
| 309300 | 25053805 | 3785237 | ||
| 309350 | 25053505 | 3785238 | ||
| 309400 | 25053905 | 3785239 |
Technische Unterlagen zum Produkt
Betriebshandbuch


Technical information of flanges
PDF
Ball valve kv values chart
PDF
Kv Values And Pressure Loss Diagrams For X Series Ball Valves 2021
PDF
Ball valve operating torques
PDF
Gaskugelhähne, Installations-, Betriebs- und Wartungshandbuch
PDF
X-series valves, coupling dimensions
PDF
Vexve X shut-off and balancing valves instructions for installation, operation, adjustment and maintenance
PDF