
EPD HUB 2855 TrunnionMountedBallValves
PDF
Série 104xx1/TR, flange / flange, reduced bore, DN 150-900, PN 16

| Tělo | DN 150-200: Steel P235GH (1.0345) / P355NH (1.0565) DN 250-450: Steel, P355QH (1.0571) / P355NL1 (1.0566) / P355NH (1.0565) DN 500-900: Steel, P355QH (1.0571) / P355NH (1.0565) |
| Koule | DN 150-900: Steel + stainless plating, ASTM A350 LF2 +Ni |
| Těsnění koule | DN 150-900: PTFE+C |
| Vřeteno | DN 150-900: Stainless steel, X17CrNi16-2 (1.4057) |
| Těsnění vřetena | DN 150-900: FPM |
| flange / flange | EN 1092-1 Available PN 16, 25, 40 |
DN 150 are equipped with: drain valve DN 200-900 are equipped with: lifting lugs, mounting stand Drain valve: DN 15 for DN 150–200 valves, DN 20 for DN 250-450 valves, DN 32 for DN 500-900 valves |
| DN 150-900 | manual gear |
| Teplota | 0 °C - +200 °C |
| Třída těsnosti | A (EN 12266-1) |
Below 0 °C contact manufacturer. Lowest allowed ambient temperature -20 °C.




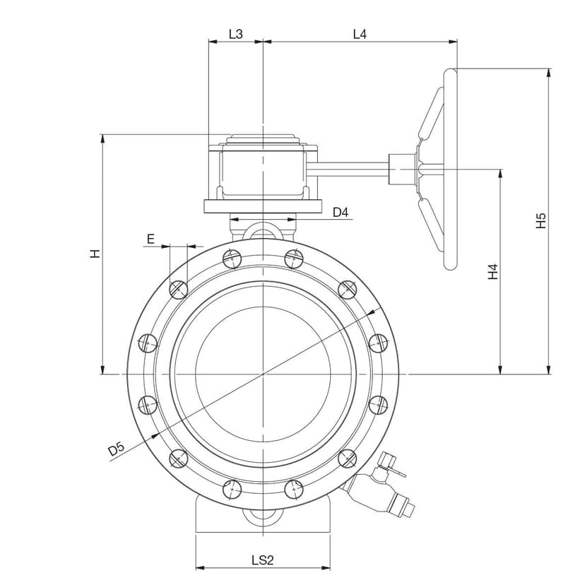
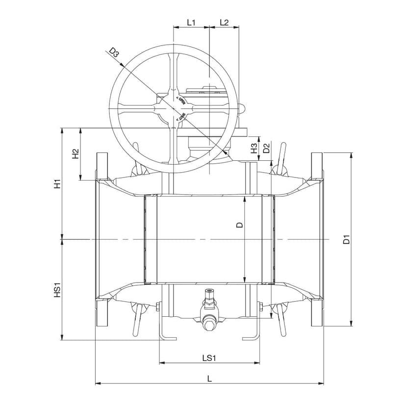
| DN | PN | Produktové číslo | D | D1 | D2 | D3 | D4 | D5 | E | H | H1 | H2 | H3 | H4 | H5 | HS1 | L | L1 | L2 | L3 | L4 | LS1 | LS2 | Kg |
|---|---|---|---|---|---|---|---|---|---|---|---|---|---|---|---|---|---|---|---|---|---|---|---|---|
| 150 | 16 | 104151/TR | 125.0 | 285 | 219.1 | 200 | 59.5 | 240 | 22 | 231 | 157.0 | 72 | 33 | 191 | 291 | 394 | 53.0 | 48 | 56 | 217 | 61 | |||
| 200 | 16 | 104201/TR | 150.0 | 340 | 273.0 | 250 | 74.5 | 295 | 22 | 286 | 195.0 | 85 | 43 | 238 | 363 | 189 | 457 | 69.0 | 60 | 68 | 268 | 210 | 180 | 103 |
| 250 | 16 | 104251/TR | 201.0 | 405 | 368.0 | 300 | 98.0 | 355 | 26 | 357 | 260.0 | 122 | 56 | 305 | 455 | 235 | 533 | 84.0 | 69 | 81 | 289 | 234 | 200 | 231 |
| 300 | 16 | 104301/TR | 250.0 | 460 | 440.0 | 500 | 110.0 | 410 | 26 | 420 | 302.0 | 139 | 62 | 351 | 601 | 282 | 610 | 118.0 | 108 | 125 | 363 | 250 | 240 | 349 |
| 350 | 16 | 104351/TR | 300.0 | 520 | 510.0 | 500 | 110.0 | 470 | 26 | 455 | 337.0 | 158 | 62 | 286 | 636 | 314 | 686 | 118.0 | 108 | 125 | 363 | 290 | 280 | 502 |
| 400 | 16 | 104401/TR | 340.0 | 580 | 590.0 | 500 | 135.0 | 525 | 30 | 528 | 400.0 | 195 | 80 | 455 | 705 | 360 | 762 | 138.0 | 133 | 141 | 440 | 348 | 320 | 769 |
| 450 | 16 | 104451/TR | 385.0 | 640 | 640.0 | 500 | 135.0 | 525 | 30 | 553 | 425.0 | 197 | 80 | 480 | 730 | 390 | 864 | 138.0 | 133 | 141 | 440 | 362 | 350 | 962 |
| 500 | 16 | 104501/TR | 436.0 | 715 | 740.0 | 600 | 180.0 | 650 | 33 | 625 | 490.0 | 225 | 86 | 554 | 854 | 530 | 914 | 180.0 | 167 | 188 | 487 | 456 | 400 | 1178 |
| 600 | 16 | 104601/TR | 487.0 | 840 | 822.0 | 600 | 200.0 | 770 | 36 | 672 | 537.0 | 222 | 88 | 601 | 901 | 580 | 1065 | 180.0 | 167 | 188 | 487 | 472 | 420 | 1627 |
| 700 | 16 | 104701/TR | 589.0 | 910 | 980.0 | 500 | 200.0 | 840 | 36 | 751 | 616.0 | 235 | 88 | 680 | 930 | 660 | 1245 | 180.0 | 166 | 188 | 540 | 524 | 450 | 2564 |
| 800 | 16 | 104801/TR | 684.0 | 1025 | 1125.0 | 700 | 230.0 | 950 | 39 | 910 | 722.0 | 302 | 111 | 807 | 1157 | 700 | 1372 | 253.0 | 222 | 255 | 593 | 572 | 450 | 3706 |
| 900 | 16 | 104901/TR | 779.0 | 1125 | 1290.0 | 700 | 270.0 | 1050 | 39 | 1021 | 833.0 | 358 | 138 | 918 | 1268 | 840 | 1524 | 253.0 | 222 | 255 | 593 | 700 | 600 | 5537 |
Also available in PN 40. For more information contact our customer service. Sizes DN 500-900 manufactured by ARMATURY Group a.s. - a member of Vexve.
| Produktové číslo | Staré číslo Naval |
|---|---|
| 104151/TR | |
| 104201/TR | 285536/TR |
| 104251/TR | 285537/TR |
| 104301/TR | 285538/TR |
| 104351/TR | 285575/TR |
| 104401/TR | 285539/TR |
| 104451/TR | 285579/TR |
| 104501/TR | 285540/TR |
| 104601/TR | 285541/TR |
| 104701/TR | 285542/TR |
| 104801/TR | 285543/TR |
| 104901/TR | 285544/TR |



