
Vexve trunnion mounted valves, installation, operation and maintenance manual
PDF
Série 107/TR/HG, welding / welding, EN (DIN), reduced bore, DN 150-900, PN 25

| Tělo | DN 150-200: Steel P235GH (1.0345) / P355NH (1.0565) DN 250-450: Steel, P355QH (1.0571) / P355NL1 (1.0566) / P355NH (1.0565) DN 500-900: Steel, P355QH (1.0571) / P355NH (1.0565) |
| Koule | DN 150-900: Steel + stainless plating, ASTM A350 LF2 +Ni |
| Těsnění koule | DN 150-900: PTFE+C |
| Vřeteno | DN 150-900: Stainless steel, X17CrNi16-2 (1.4057) |
| Těsnění vřetena | DN 150-900: FPM |
| Hlava vřetena | DN 150-900: Stainless steel, X5CrNi18-10 (1.4301) |
| welding / welding, EN (DIN) |
DN 200-900 are equipped with: lifting lugs, mounting stand |
| DN 150-900 | valves are available with angle gear standard hexagon adapter 27 or 32 mm |
| Teplota | 0 °C - +200 °C |
| Třída těsnosti | A (EN 12266-1) |
Below 0 °C contact manufacturer. Lowest allowed ambient temperature -20 °C.



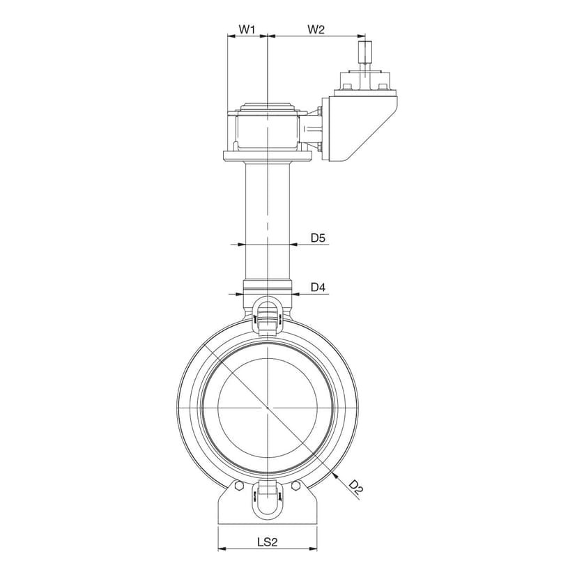
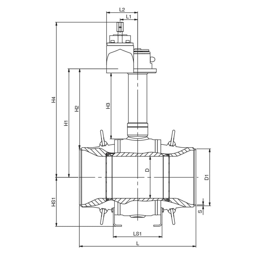
| DN | PN | Produktové číslo | D | D1 | D2 | D4 | D5 | H1 | H2 | H3 | H4 | HS1 | L | L1 | L2 | LS1 | LS2 | S | W1 | W2 | Kg |
|---|---|---|---|---|---|---|---|---|---|---|---|---|---|---|---|---|---|---|---|---|---|
| 150 | 25 | 107150/TR/HG | 125.0 | 168.3 | 219.1 | 59.5 | 60.3 | 423.0 | 339 | 299 | 643 | 457 | 69.0 | 134 | 4.5 | 68 | 188 | 72 | |||
| 200 | 25 | 107200/TR/HG | 150.0 | 219.1 | 273.0 | 74.5 | 76.1 | 459.0 | 349 | 303 | 682 | 189 | 521 | 84.0 | 149 | 210 | 180 | 5.0 | 81 | 198 | 115 |
| 250 | 25 | 107250/TR/HG | 201.0 | 273.0 | 368.0 | 98.0 | 114.3 | 568.0 | 432 | 338 | 795 | 280 | 559 | 118.0 | 183 | 250 | 200 | 5.0 | 125 | 298 | 223 |
| 300 | 25 | 107300/TR/HG | 250.0 | 323.9 | 440.0 | 110.0 | 114.3 | 568.0 | 406 | 328 | 795 | 281 | 635 | 118.0 | 183 | 250 | 240 | 5.6 | 125 | 233 | 343 |
| 350 | 25 | 107350/TR/HG | 300.0 | 355.6 | 510.0 | 110.0 | 114.3 | 603.0 | 425 | 328 | 830 | 314 | 762 | 118.0 | 183 | 290 | 280 | 6.3 | 125 | 233 | 502 |
| 400 | 25 | 107400/TR/HG | 340.0 | 406.4 | 590.0 | 135.0 | 139.7 | 695.0 | 492 | 375 | 924 | 360 | 838 | 138.0 | 222 | 348 | 320 | 7.1 | 150 | 235 | 767 |
| 450 | 25 | 107450/TR/HG | 385.0 | 457.0 | 640.0 | 135.0 | 139.7 | 720.0 | 492 | 375 | 949 | 390 | 914 | 138.0 | 222 | 362 | 350 | 6.3 | 150 | 235 | 941 |
| 500 | 25 | 107500/TR/HG | 436.0 | 508.0 | 740.0 | 219.1 | 720.0 | 466 | 316 | 947 | 530 | 991 | 182.0 | 267 | 456 | 400 | 6.3 | 188 | 236 | 1179 | |
| 600 | 25 | 107600/TR/HG | 487.0 | 610.0 | 822.0 | 244.5 | 761.0 | 456 | 312 | 987 | 580 | 1143 | 182.0 | 267 | 472 | 420 | 7.1 | 188 | 236 | 1617 | |
| 700 | 25 | 107700/TR/HG | 589.0 | 711.0 | 980.0 | 244.5 | 840.0 | 484 | 312 | 1067 | 513 | 1346 | 180.0 | 264 | 524 | 450 | 8.0 | 188 | 364 | 2609 | |
| 800 | 25 | 107800/TR/HG | 684.0 | 813.0 | 1125.0 | 273.0 | 932.0 | 525 | 321 | 1175 | 700 | 1524 | 253.0 | 337 | 572 | 450 | 8.8 | 255 | 498 | 3770 | |
| 900 | 25 | 107900/TR/HG | 779.0 | 914.0 | 1290.0 | 295.0 | 1045.0 | 588 | 350 | 1296 | 840 | 1727 | 253.0 | 362 | 700 | 600 | 10.0 | 255 | 420 | 5632 |
Also available in PN 40. For more information contact our customer service. Sizes DN 500-900 manufactured by ARMATURY Group a.s. - a member of Vexve.


