
Vexve trunnion mounted valves, installation, operation and maintenance manual
PDF
Série 153/25/TR, flange / flange, full bore, DN 125-1200, PN 25

| Tělo | DN 125-150: Steel P235GH (1.0345) / P355NH (1.0565) DN 200-400: Steel, P355QH (1.0571) / P355NL1 (1.0566) / P355NH (1.0565) DN 450-1200: Steel, P355QH (1.0571) / P355NH (1.0565) |
| Koule | DN 125-1200: Steel + stainless plating, ASTM A350 LF2 +Ni |
| Těsnění koule | DN 125-1200: PTFE+C |
| Vřeteno | DN 125-1200: Stainless steel, X17CrNi16-2 (1.4057) |
| Těsnění vřetena | DN 125-1200: FPM |
| flange / flange | EN 1092-1 Available PN 16, 25, 40 |
DN 125 are equipped with: drain valve, DN 150-1200 are equipped with: lifting lugs, mounting stand Drain valve: DN 15 for DN 125–150, DN 20 for DN 200–400 valves, DN 32 for DN 450–1200 valves |
| DN 125-150 | zinc-plated steel handle |
| DN 200-1200 | available with manual gear or with an electric or hydraulic actuator |
| Teplota | 0 °C - +200 °C |
| Třída těsnosti | A (EN 12266-1) |
Below 0 °C contact manufacturer. Lowest allowed ambient temperature -20 °C.




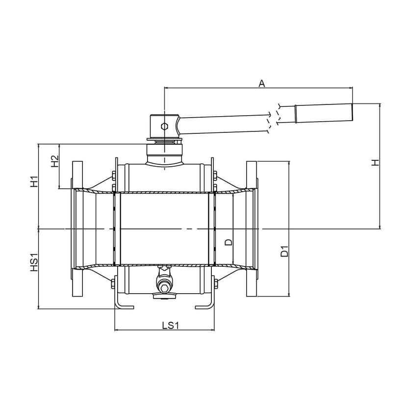
| DN | PN | Produktové číslo | A | D | D1 | D2 | D3 | D4 | D5 | E | H | H1 | H2 | H3 | HS1 | L | LS1 | LS2 | Kg |
|---|---|---|---|---|---|---|---|---|---|---|---|---|---|---|---|---|---|---|---|
| 125 | 25 | 153125/25/TR | 600.0 | 125.0 | 270 | 219.1 | 59.5 | 220 | 26 | 223 | 143.0 | 73 | 330 | 50 | |||||
| 150 | 25 | 153150/25/TR | 870.0 | 150.0 | 300 | 273.0 | 74.5 | 250 | 26 | 264 | 179.0 | 94 | 169 | 394 | 210 | 160 | 86 | ||
| 200 | 25 | 153200/25/TR | 201.0 | 360 | 368.0 | 40 | 98.0 | 310 | 26 | 260.0 | 150 | 56 | 235 | 457 | 234 | 200 | 185 | ||
| 250 | 25 | 153250/25/TR | 250.0 | 425 | 440.0 | 50 | 110.0 | 370 | 30 | 302.0 | 164 | 62 | 280 | 533 | 250 | 240 | 283 | ||
| 300 | 25 | 153300/25/TR | 300.0 | 485 | 510.0 | 50 | 110.0 | 430 | 30 | 337.0 | 174 | 62 | 314 | 610 | 290 | 280 | 412 | ||
| 350 | 25 | 153350/25/TR | 340.0 | 555 | 590.0 | 70 | 135.0 | 490 | 33 | 400.0 | 221 | 80 | 360 | 686 | 348 | 320 | 659 | ||
| 400 | 25 | 153400/25/TR | 385.0 | 620 | 640.0 | 70 | 135.0 | 550 | 36 | 425.0 | 330 | 80 | 390 | 762 | 362 | 350 | 803 | ||
| 450 | 25 | 153450/25/TR | 436.0 | 670 | 740.0 | 75 | 180.0 | 600 | 36 | 490.0 | 260 | 86 | 530 | 864 | 456 | 400 | 1085 | ||
| 500 | 25 | 153500/25/TR | 487.0 | 730 | 822.0 | 90 | 200.0 | 660 | 36 | 537.0 | 283 | 88 | 580 | 914 | 472 | 420 | 1375 | ||
| 600 | 25 | 153600/25/TR | 589.0 | 845 | 980.0 | 98 | 200.0 | 770 | 39 | 616.0 | 311 | 88 | 660 | 1065 | 524 | 450 | 2191 | ||
| 700 | 25 | 153700/25/TR | 684.0 | 960 | 1125.0 | 98 | 230.0 | 875 | 42 | 722.0 | 366 | 111 | 700 | 1245 | 572 | 450 | 3285 | ||
| 800 | 25 | 153800/25/TR | 779.0 | 1085 | 1290.0 | 120 | 270.0 | 990 | 48 | 833.0 | 426 | 138 | 840 | 1372 | 700 | 600 | 4954 | ||
| 900 | 25 | 153900/25/TR | 874.0 | 1185 | 1440.0 | 120 | 270.0 | 1090 | 48 | 908.0 | 451 | 138 | 900 | 1524 | 770 | 600 | 6334 | ||
| 1000 | 25 | 1531000/25/TR | 976.0 | 1320 | 1600.0 | 135 | 290.0 | 1210 | 56 | 1010.0 | 460 | 156 | 970 | 1778 | 876 | 750 | 8973 | ||
| 1200 | 25 | 1531200/25/TR | 1166.0 | 1530 | 1910.0 | 140 | 300.0 | 1420 | 56 | 1165.0 | 515 | 156 | 1120 | 2050 | 1000 | 900 | 14468 |
Also available in PN 40. For more information contact our customer service. Sizes DN 450-1200 manufactured by ARMATURY Group a.s. - a member of Vexve.
| Produktové číslo | Staré číslo Naval |
|---|---|
| 153125/25/TR | |
| 153150/25/TR | 235574/TR |
| 153200/25/TR | 235576/TR |
| 153250/25/TR | 23559705/TR |
| 153300/25/TR | 23559805/TR |
| 153350/25/TR | 23559505/TR |
| 153400/25/TR | 23557905/TR |
| 153450/25/TR | 23559105/TR |
| 153500/25/TR | 23558005/TR |
| 153600/25/TR | 23558105/TR |
| 153700/25/TR | 23558205/TR |
| 153800/25/TR | 23558305/TR |
| 153900/25/TR | 23558405/TR |
| 1531000/25/TR | |
| 1531200/25/TR |


