
PDF

| Tělo | DN 100-400: Steel, P235GH (1.0345) |
| Koule | DN 100-400: Stainless steel, X5CrNi18-10 (1.4301) |
| Těsnění koule | DN 100-400: PTFE+C |
| Vřeteno | DN 100-125: Stainless steel, X17CrNi16-2 (1.4057) DN 150-400: Stainless steel, X8CrNiS18-9 (1.4305) |
| Těsnění vřetena | DN 100-400: FPM |
| welding / welding, EN (DIN) |
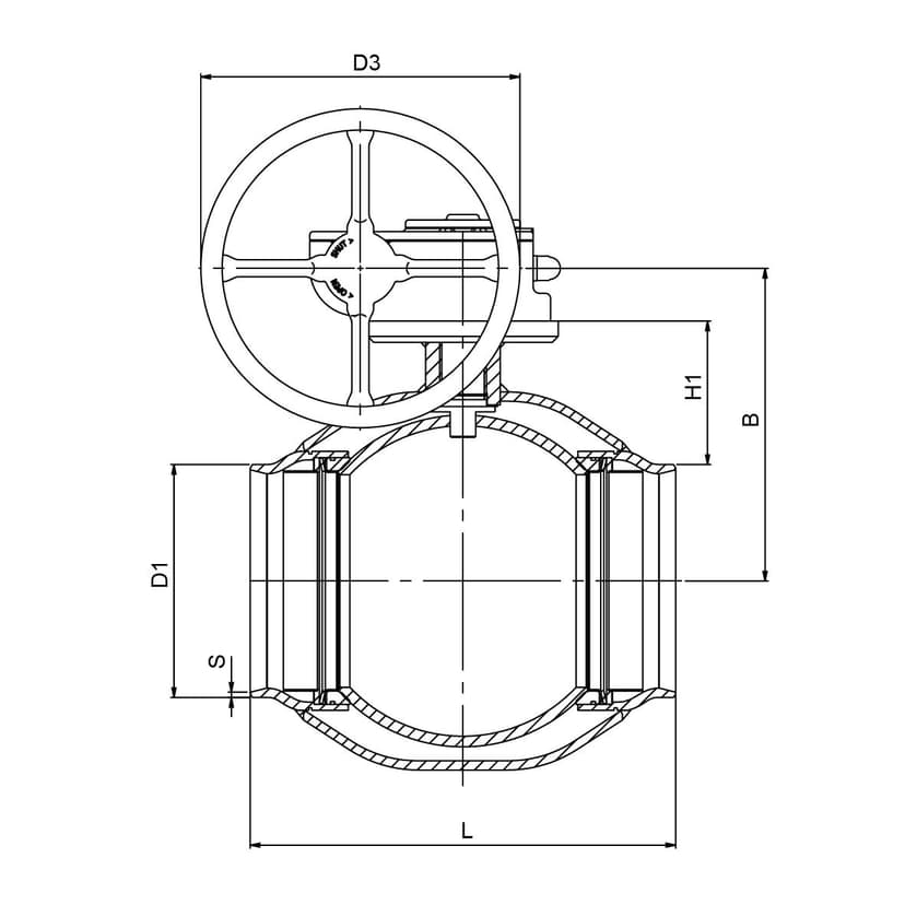
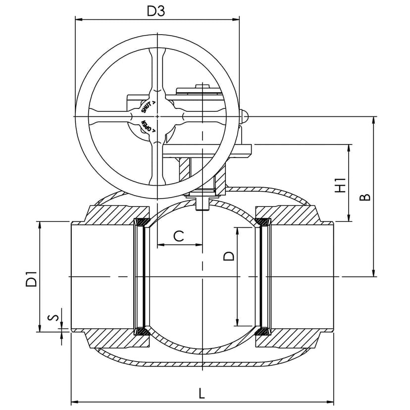
| DN 100-400 | manual gear |
| Teplota | -20 °C - +200 °C |
| Třída těsnosti | A (EN 12266-1) |
Below -20 °C contact manufacturer. Lowest allowed ambient temperature -40 °C.




| DN | PN | Produktové číslo | A | B | C | D | D1 | D2 | D3 | E | H1 | L | S | Kg |
|---|---|---|---|---|---|---|---|---|---|---|---|---|---|---|
| 100 | 25 | 154100 | 224.0 | 216 | 53 | 100.0 | 114.3 | 177.8 | 200 | 258 | 124.0 | 325 | 3.6 | 20 |
| 125 | 25 | 154125 | 224.0 | 236 | 53 | 125.0 | 139.7 | 219.1 | 200 | 279 | 132.0 | 360 | 3.6 | 29 |
| 150 | 25 | 154150 | 268.0 | 244 | 69 | 150.0 | 168.3 | 273.0 | 250 | 293 | 117.0 | 350 | 4.5 | 43 |
| 200 | 25 | 154200 | 301.0 | 294 | 97 | 200.0 | 219.1 | 355.6 | 300 | 345 | 135.0 | 400 | 5.0 | 78 |
| 250 | 25 | 154250 | 363.0 | 343 | 117 | 250.0 | 273.0 | 419.0 | 600 | 413 | 148.0 | 530 | 5.0 | 123 |
| 300 | 25 | 154300 | 363.0 | 418 | 117 | 290.0 | 323.9 | 508.0 | 600 | 487 | 206.0 | 686 | 5.6 | 216 |
| 350 | 25 | 154350 | 440.0 | 500 | 138 | 340.0 | 355.6 | 610.0 | 500 | 573 | 267.0 | 762 | 6.3 | 305 |
| 400 | 25 | 154400 | 471.0 | 576 | 180 | 390.0 | 406.0 | 660.0 | 500 | 648 | 310.0 | 914 | 7.1 | 603 |
| Produktové číslo | Staré číslo Naval | EAN | LVI | RSK | NRF |
|---|---|---|---|---|---|
| 154100 | 234432 | 6415837553201 | 3755320 | 4512309 | 5599132 |
| 154125 | 234433 | 6415837553218 | 3755321 | 4500710 | 5599133 |
| 154150 | 234434 | 6415837553225 | 3755322 | 4500711 | 5599134 |
| 154200 | 234436 | 6415837553232 | 3755323 | 4500712 | 5599135 |
| 154250 | 234437 | 6415837553249 | 3755324 | 4500713 | 5599136 |
| 154300 | 234438 | 6415837553256 | 3755325 | 4500714 | 5599137 |
| 154350 | 234495 | 6415837553263 | 3755326 | 4500715 | 5599138 |
| 154400 | 234479 | 6415837553270 | 3755327 | 4500717 | 5599139 |



