
Vexve trunnion mounted valves, installation, operation and maintenance manual
PDF
Série 154xx1/TR, flange / flange, full bore, DN 125-900, PN 16

| Tělo | DN 125-150: Steel P235GH (1.0345) / P355NH (1.0565) DN 200-400: Steel, P355QH (1.0571) / P355NL1 (1.0566) / P355NH (1.0565) DN 450-900: Steel, P355QH (1.0571) / P355NH (1.0565) |
| Koule | DN 125-900: Steel + stainless plating, ASTM A350 LF2 +Ni |
| Těsnění koule | DN 125-900: PTFE+C |
| Vřeteno | DN 125-900: Stainless steel, X17CrNi16-2 (1.4057) |
| Těsnění vřetena | DN 125-900: FPM |
| flange / flange | EN 1092-1 Available PN 16, 25, 40 |
DN 125 are equipped with: drain valve DN 150-900 are equipped with: lifting lugs, mounting stand Drain valve: DN 15 for DN 125–150 valves, DN 20 for DN 200-400 valves, DN 32 for DN 450-900 valves |
| DN 125-900 | manual gear |
| Teplota | 0 °C - +200 °C |
| Třída těsnosti | A (EN 12266-1) |
Below 0 °C contact manufacturer. Lowest allowed ambient temperature -20 °C.



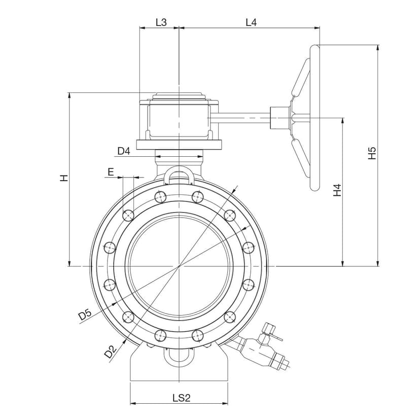
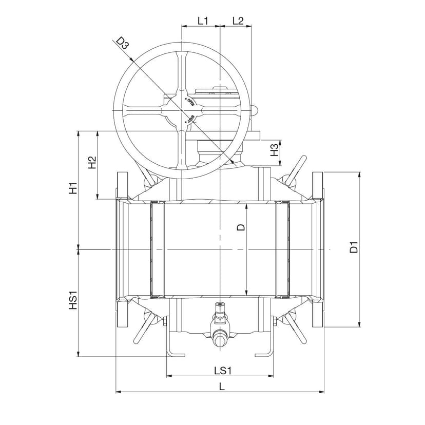
| DN | PN | Produktové číslo | D | D1 | D2 | D3 | D4 | D5 | E | H | H1 | H2 | H3 | H4 | H5 | HS1 | L | L1 | L2 | L3 | L4 | LS1 | LS2 | Kg |
|---|---|---|---|---|---|---|---|---|---|---|---|---|---|---|---|---|---|---|---|---|---|---|---|---|
| 125 | 16 | 154126/TR | 125.0 | 250 | 219.1 | 200 | 59.5 | 210 | 18 | 231 | 157.0 | 87 | 33 | 191 | 291 | 330 | 53.0 | 48 | 56 | 217 | 49 | |||
| 150 | 16 | 154151/TR | 150.0 | 285 | 273.0 | 250 | 75.0 | 240 | 22 | 286 | 195.0 | 110 | 43 | 238 | 363 | 169 | 394 | 69.0 | 60 | 68 | 268 | 210 | 160 | 88 |
| 200 | 16 | 154201/TR | 201.0 | 340 | 368.0 | 300 | 98.0 | 295 | 22 | 357 | 260.0 | 150 | 56 | 305 | 455 | 235 | 457 | 84.0 | 69 | 81 | 289 | 234 | 200 | 194 |
| 250 | 16 | 154251/TR | 250.0 | 405 | 440.0 | 500 | 110.0 | 355 | 26 | 420 | 302.0 | 164 | 62 | 351 | 601 | 280 | 533 | 118.0 | 108 | 125 | 363 | 250 | 240 | 298 |
| 300 | 16 | 154301/TR | 300.0 | 460 | 510.0 | 500 | 110.0 | 410 | 26 | 455 | 337.0 | 174 | 62 | 386 | 636 | 314 | 610 | 118.0 | 108 | 125 | 363 | 290 | 280 | 423 |
| 350 | 16 | 154351/TR | 340.0 | 520 | 590.0 | 500 | 135.0 | 470 | 26 | 528 | 400.0 | 221 | 80 | 455 | 705 | 360 | 686 | 138.0 | 133 | 141 | 440 | 348 | 320 | 673 |
| 400 | 16 | 154401/TR | 385.0 | 580 | 640.0 | 500 | 135.0 | 525 | 30 | 553 | 425.0 | 220 | 80 | 480 | 730 | 390 | 762 | 138.0 | 133 | 141 | 440 | 362 | 260 | 802 |
| 450 | 16 | 154451/TR | 436.0 | 640 | 740.0 | 600 | 180.0 | 585 | 30 | 625 | 490.0 | 250 | 86 | 554 | 854 | 530 | 864 | 180.0 | 167 | 188 | 487 | 456 | 400 | 1108 |
| 500 | 16 | 154501/TR | 487.0 | 705 | 822.0 | 600 | 200.0 | 650 | 33 | 672 | 537.0 | 277 | 88 | 601 | 901 | 580 | 914 | 180.0 | 167 | 188 | 487 | 472 | 420 | 1401 |
| 600 | 16 | 154601/TR | 589.0 | 840 | 980.0 | 500 | 200.0 | 770 | 36 | 751 | 616.0 | 306 | 88 | 680 | 930 | 660 | 1067 | 180.0 | 166 | 188 | 540 | 524 | 450 | 2236 |
| 700 | 16 | 154701/TR | 684.0 | 910 | 1125.0 | 700 | 230.0 | 840 | 36 | 910 | 722.0 | 352 | 111 | 807 | 1157 | 700 | 1245 | 253.0 | 222 | 255 | 593 | 572 | 450 | 3406 |
| 800 | 16 | 154801/TR | 779.0 | 1025 | 1290.0 | 700 | 270.0 | 950 | 39 | 1021 | 833.0 | 418 | 138 | 918 | 1268 | 840 | 1368 | 253.0 | 222 | 255 | 593 | 700 | 600 | 5051 |
| 900 | 16 | 154901/TR | 874.0 | 1125 | 1440.0 | 700 | 270.0 | 1050 | 39 | 1096 | 908.0 | 438 | 138 | 993 | 1343 | 900 | 1524 | 253.0 | 222 | 255 | 593 | 770 | 600 | 6411 |
Also available in PN 40. For more information contact our customer service. Sizes DN 450-900 manufactured by ARMATURY Group a.s. - a member of Vexve.
| Produktové číslo | Staré číslo Naval |
|---|---|
| 154126/TR | |
| 154151/TR | 235534/TR |
| 154201/TR | 235536/TR |
| 154251/TR | 235537/TR |
| 154301/TR | 235538/TR |
| 154351/TR | 235575/TR |
| 154401/TR | 235539/TR |
| 154451/TR | 235545/TR |
| 154501/TR | 235540/TR |
| 154601/TR | 235541/TR |
| 154701/TR | 235542/TR |
| 154801/TR | 235543/TR |
| 154901/TR | 235544/TR |


