
Kv Value Chart Of Vexve Floating Ball Valves
PDF
Série 157/S/HG, welding / welding, EN (DIN), full bore, DN 150-400, PN 25

| Tělo | DN 150-350: Steel, P235GH (1.0345) DN 400: Steel, P355 NL1 (1.0566)/ GP240GH (1.0619) |
| Koule | DN 150-400: Stainless steel, X5CrNi18-10 (1.4301) |
| Těsnění koule | DN 150-400: PTFE+C |
| Vřeteno | DN 150-400: Stainless steel, X8CrNiS18-9 (1.4305) |
| Těsnění vřetena | DN 150-400: FPM |
| Hlava vřetena | DN 150-400: Stainless steel, X5CrNi18-10 (1.4301) |
| welding / welding, EN (DIN) |
| DN 150-400 | valves are available with angle gear standard hexagon adapter 27 or 32 mm |
| Teplota | -20 °C - +200 °C |
| Třída těsnosti | A (EN 12266-1) |
Below -20 °C contact manufacturer. Lowest allowed ambient temperature -40 °C.




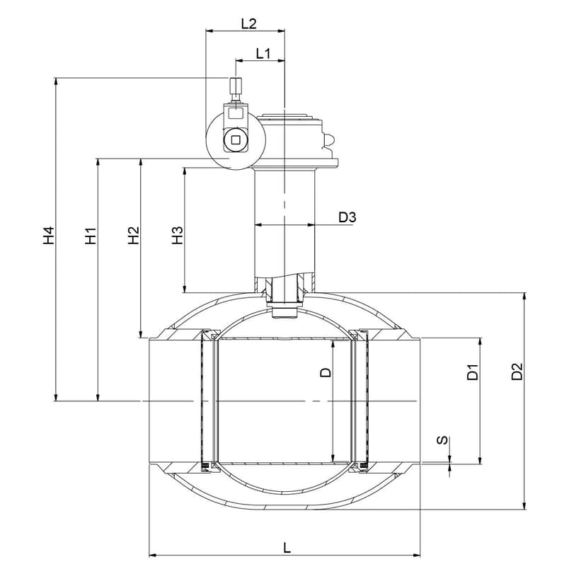
| DN | PN | Produktové číslo | D | D1 | D2 | D3 | H1 | H2 | H3 | H4 | L | L1 | L2 | S | W1 | W2 | Kg |
|---|---|---|---|---|---|---|---|---|---|---|---|---|---|---|---|---|---|
| 150 | 25 | 157150/S/HG | 150.0 | 168.3 | 273.0 | 76.1 | 490.0 | 406 | 334 | 713 | 350 | 84.0 | 149 | 4.5 | 81 | 198 | 59 |
| 200 | 25 | 157200/S/HG | 200.0 | 219.1 | 355.6 | 88.9 | 525.0 | 415 | 327 | 765 | 400 | 97.0 | 162 | 5.0 | 90 | 208 | 89 |
| 250 | 25 | 157250/S/HG | 250.0 | 273.0 | 419.0 | 101.6 | 570.0 | 434 | 341 | 799 | 530 | 138.0 | 222 | 5.0 | 141 | 235 | 98 |
| 300 | 25 | 157300/S/HG | 290.0 | 323.9 | 508.0 | 114.3 | 603.0 | 440 | 329 | 832 | 686 | 138.0 | 222 | 5.6 | 141 | 235 | 210 |
| 350 | 25 | 157350/S/HG | 340.0 | 355.6 | 610.0 | 168.3 | 680.0 | 502 | 350 | 909 | 762 | 138.0 | 222 | 6.3 | 150 | 235 | 370 |
| 400 | 25 | 157400/S/HG | 390.0 | 406.0 | 660.0 | 178.0 | 720.0 | 516 | 350 | 946 | 914 | 182.0 | 267 | 7.1 | 188 | 236 | 651 |
| Produktové číslo | Staré číslo Naval |
|---|---|
| 157150/S/HG | 234694 |
| 157200/S/HG | 234695 |
| 157250/S/HG | 234696 |
| 157300/S/HG | 234697 |
| 157350/S/HG | 234698 |
| 157400/S/HG | 234699 |



