
Kv Value Chart Of Vexve Floating Ball Valves
PDF
Série 157/S, welding / welding, EN (DIN), full bore, DN 25-350, PN 25

| Tělo | DN 25-350: Steel, P235GH (1.0345) |
| Koule | DN 25-350: Stainless steel, X5CrNi18-10 (1.4301) |
| Těsnění koule | DN 25-350: PTFE+C |
| Vřeteno | DN 25-80: Stainless steel, X8CrNiS18-9 (1.4305) DN 100-125: Stainless steel, X17CrNi16-2 (1.4057) DN 150-350: Stainless steel, X8CrNiS18-9 (1.4305) |
| Těsnění vřetena | DN 25-350: FPM |
| Hlava vřetena | DN 25-350: Stainless steel, X5CrNi18-10 (1.4301) |
| welding / welding, EN (DIN) |
| DN 25-125 | available with a T-key |
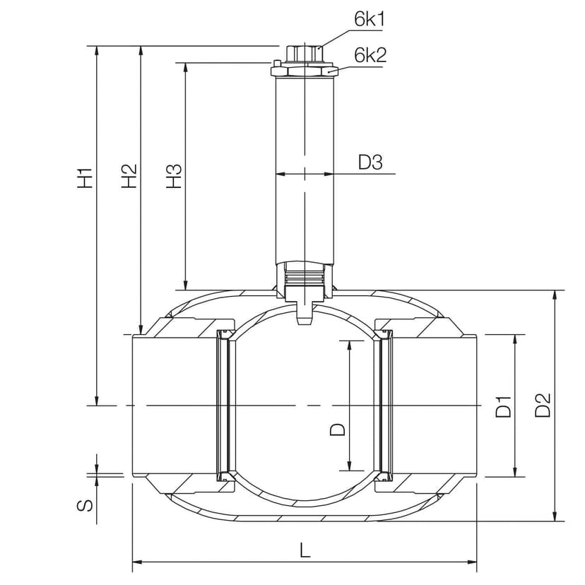
| DN 150-350 | available with portable planet gear |
We recommend angle gear operation for sizes DN 150 and larger.
| Teplota | -20 °C - +200 °C |
| Třída těsnosti | A (EN 12266-1) |
Below -20 °C contact manufacturer. Lowest allowed ambient temperature -40 °C.




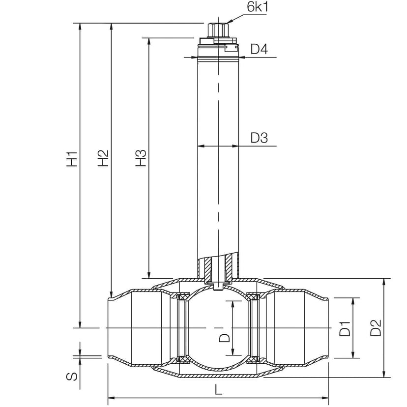
| DN | PN | Produktové číslo | D | D1 | D2 | D3 | D4 | H1 | H2 | H3 | L | S | 6K1 | 6K2 | Kg |
|---|---|---|---|---|---|---|---|---|---|---|---|---|---|---|---|
| 25 | 25 | 157025/S | 25.0 | 33.7 | 60.3 | 33.7 | 36 | 386.0 | 369 | 341 | 260 | 2.6 | 19 | 2.8 | |
| 32 | 25 | 157032/S | 32.0 | 42.4 | 70.0 | 33.7 | 36 | 400.0 | 379 | 350 | 260 | 2.6 | 19 | 3.0 | |
| 40 | 25 | 157040/S | 40.0 | 48.3 | 88.9 | 33.7 | 36 | 406.0 | 382 | 347 | 300 | 2.9 | 19 | 4.0 | |
| 50 | 25 | 157050/S | 50.0 | 60.3 | 101.6 | 42.4 | 36 | 415.0 | 384 | 349 | 300 | 2.9 | 19 | 5.0 | |
| 65 | 25 | 157065/S | 65.0 | 76.1 | 121.0 | 42.4 | 36 | 425.0 | 386 | 349 | 300 | 3.2 | 19 | 7.0 | |
| 80 | 25 | 157080/S | 80.0 | 88.9 | 146.0 | 60.3 | 60 | 449.0 | 405 | 355 | 325 | 3.6 | 27 | 12.0 | |
| 100 | 25 | 157100/S | 100.0 | 114.3 | 177.8 | 60.3 | 60 | 454.0 | 397 | 344 | 325 | 3.6 | 27 | 23.0 | |
| 125 | 25 | 157125/S | 125.0 | 139.7 | 219.1 | 60.3 | 60 | 475.0 | 405 | 344 | 360 | 3.6 | 27 | 25.0 | |
| 150 | 25 | 157150/S | 150.0 | 168.3 | 273.0 | 76.1 | 517.0 | 432 | 349 | 350 | 4.5 | 50 | 90 | 34.0 | |
| 200 | 25 | 157200/S | 200.0 | 219.1 | 355.6 | 88.9 | 560.0 | 450 | 350 | 400 | 5.0 | 50 | 90 | 60.0 | |
| 250 | 25 | 157250/S | 250.0 | 273.0 | 419.0 | 101.6 | 600.0 | 464 | 359 | 530 | 5.6 | 50 | 90 | 94.0 | |
| 300 | 25 | 157300/S | 290.0 | 323.9 | 508.0 | 139.7 | 636.0 | 474 | 350 | 686 | 5.6 | 50 | 90 | 182.0 | |
| 350 | 25 | 157350/S | 340.0 | 355.6 | 610.0 | 139.7 | 687.0 | 509 | 350 | 762 | 6.3 | 50 | 90 | 288.0 |
| Produktové číslo | Staré číslo Naval |
|---|---|
| 157025/S | 234666 |
| 157032/S | 234667 |
| 157040/S | 234668 |
| 157050/S | 234669 |
| 157065/S | 234670 |
| 157080/S | 234671 |
| 157100/S | 234672 |
| 157125/S | 234673 |
| 157150/S | 234674 |
| 157200/S | 234676 |
| 157250/S | 234677 |
| 157300/S | 234678 |
| 157350/S | 234679 |



