
Kv Value Chart Of Vexve Floating Ball Valves
PDF
Série 157/SL/HG, welding / welding, EN (DIN), full bore, DN 150-300, PN 25

| Tělo | DN 150-300: Steel, P235GH (1.0345) |
| Koule | DN 150-300: Stainless steel, X5CrNi18-10 (1.4301) |
| Těsnění koule | DN 150-300: PTFE+C |
| Vřeteno | DN 150-300: Stainless steel, X8CrNiS18-9 (1.4305) |
| Těsnění vřetena | DN 150-300: FPM |
| Hlava vřetena | DN 150-300: Stainless steel, X5CrNi18-10 (1.4301) |
| welding / welding, EN (DIN) |
| DN 150-300 | valves are available with angle gear standard hexagon adapter 27 or 32 mm |
| Teplota | -20 °C - +200 °C |
| Třída těsnosti | A (EN 12266-1) |
Below -20 °C contact manufacturer. Lowest allowed ambient temperature -40 °C.



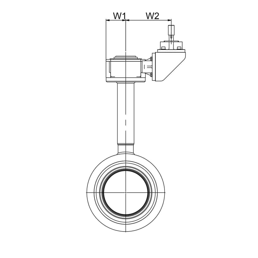
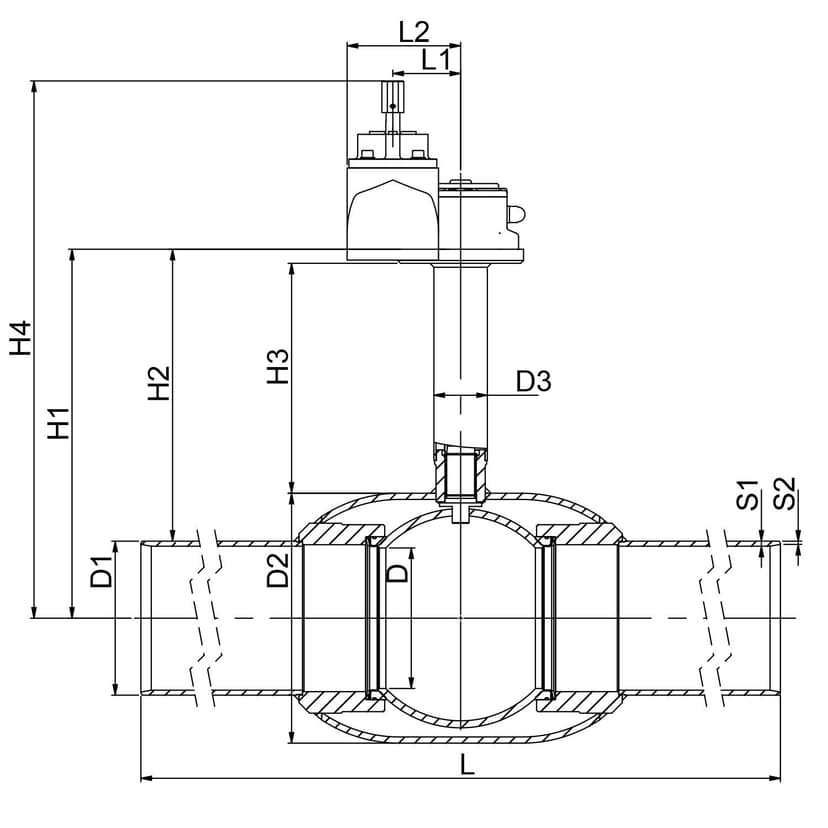
| DN | PN | Produktové číslo | D | D1 | D2 | D3 | H1 | H2 | H3 | H4 | L | L1 | L2 | S1 | S2 | W1 | W2 | Kg |
|---|---|---|---|---|---|---|---|---|---|---|---|---|---|---|---|---|---|---|
| 150 | 25 | 157150/SL/HG | 150.0 | 168.3 | 273.0 | 76.1 | 490.0 | 406 | 334 | 713 | 1500 | 84.0 | 149 | 7.1 | 4.5 | 81 | 198 | 122 |
| 200 | 25 | 157200/SL/HG | 200.0 | 219.1 | 355.6 | 88.9 | 525.0 | 415 | 327 | 764 | 1500 | 97.0 | 162 | 7.1 | 5.0 | 90 | 208 | 180 |
| 250 | 25 | 157250/SL/HG | 250.0 | 273.0 | 457.0 | 101.6 | 580.0 | 443 | 331 | 809 | 1500 | 138.0 | 222 | 8.8 | 5.0 | 141 | 235 | 250 |
| 300 | 25 | 157300/SE/HG | 290.0 | 323.9 | 508.0 | 114.3 | 603.0 | 440 | 329 | 832 | 1800 | 138.0 | 222 | 8.8 | 5.6 | 141 | 235 | 299 |
Other stem heights also available



