
Kv Value Chart Of Vexve Floating Ball Valves
PDF
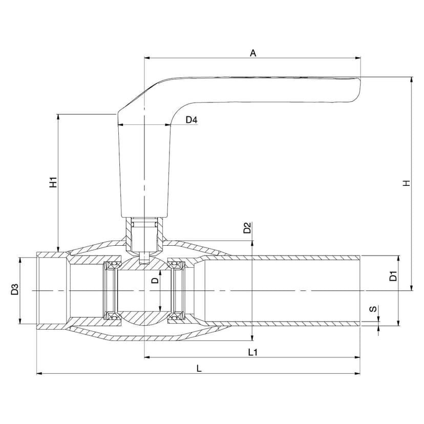
Série 231/NPT, female threads / welding EN (DIN), reduced bore, DN 10-50, PN 40

| Tělo | DN 10-50: Stainless steel, AISI316L (1.4404) |
| Koule | DN 10-50: Stainless steel, AISI316L (1.4404) |
| Těsnění koule | DN 10-50: PTFE+C |
| Vřeteno | DN 10-50: Stainless steel, AISI316L (1.4404) |
| Těsnění vřetena | DN 10-50: FPM/NBR |
| female threads / welding EN (DIN) |
| DN 10-50 | composite handle |
| Teplota | -20 °C - +200 °C |
| Třída těsnosti | A (EN 12266-1) |
Below -20 °C contact manufacturer. Lowest allowed ambient temperature -40 °C.


| DN | PN | Produktové číslo | A | D | D1 | D2 | D3 | D4 | H | H1 | L | L1 | S | Kg |
|---|---|---|---|---|---|---|---|---|---|---|---|---|---|---|
| 10 | 40 | 231010X/NPT | 130.0 | 10.0 | 17.2 | 33.7 | NPT 3/8 | 32 | 119 | 86.0 | 153 | 115.0 | 2.0 | 0.4 |
| 15 | 40 | 231015X/NPT | 130.0 | 10.0 | 21.3 | 33.7 | NPT 1/2 | 32 | 119 | 84.0 | 158 | 115.0 | 2.0 | 0.5 |
| 20 | 40 | 231020X/NPT | 130.0 | 15.0 | 26.9 | 42.4 | NPT 3/4 | 32 | 123 | 85.0 | 165 | 115.0 | 2.0 | 0.6 |
| 25 | 40 | 231025X/NPT | 130.0 | 20.0 | 33.7 | 48.3 | NPT 1 | 32 | 125 | 84.0 | 172 | 115.0 | 2.0 | 0.8 |
| 32 | 40 | 231032X/NPT | 130.0 | 25.0 | 42.4 | 60.3 | NPT 1 1/4 | 32 | 129 | 83.0 | 195 | 130.0 | 2.0 | 1.2 |
| 40 | 40 | 231040X/NPT | 130.0 | 32.0 | 48.3 | 70.0 | NPT 1 1/2 | 32 | 133 | 84.0 | 205 | 130.0 | 2.6 | 1.6 |
| 50 | 40 | 231050X/NPT | 130.0 | 40.0 | 60.3 | 76.1 | NPT 2 | 32 | 140 | 85.0 | 240 | 150.0 | 2.6 | 2.4 |



