
Venttiilihaku
Teräspalloventtiili
104/S-sarja, hitsattava / hitsattava, EN (DIN), supistettuaukkoinen, DN 100-200, PN 25

DN 100-200
Materiaalit
| Runko | DN 100-200: Teräs, P235GH (1.0345) |
| Pallo | DN 100-200: Ruostumaton teräs, X5CrNi18-10 (1.4301) |
| Pallon tiiviste | DN 100-200: PTFE+C |
| Kara | DN 100: Ruostumaton teräs, X8CrNiS18-9 (1.4305) DN 125-150: Haponkestävä teräs, X17CrNi16-2 (1.4057) DN 200: Ruostumaton teräs, X8CrNiS18-9 (1.4305) |
| Karan tiiviste | DN 100-200: FPM |
Liitospäät
| hitsattava / hitsattava, EN (DIN) |
Operointi
| DN 100-200 | käsivaihde |
Toimintaolosuhteet
| Lämpötila | -20 °C - +200 °C |
| Tiiveysluokka | A (EN 12266-1) |
Alle -20 °C ota yhteyttä valmistajaan. Alin sallittu ympäristön lämpötila -40 °C.

DN 100-200
vesialue
Höyryalue (ei sallittu)
lyhytaikainen toiminta-alue
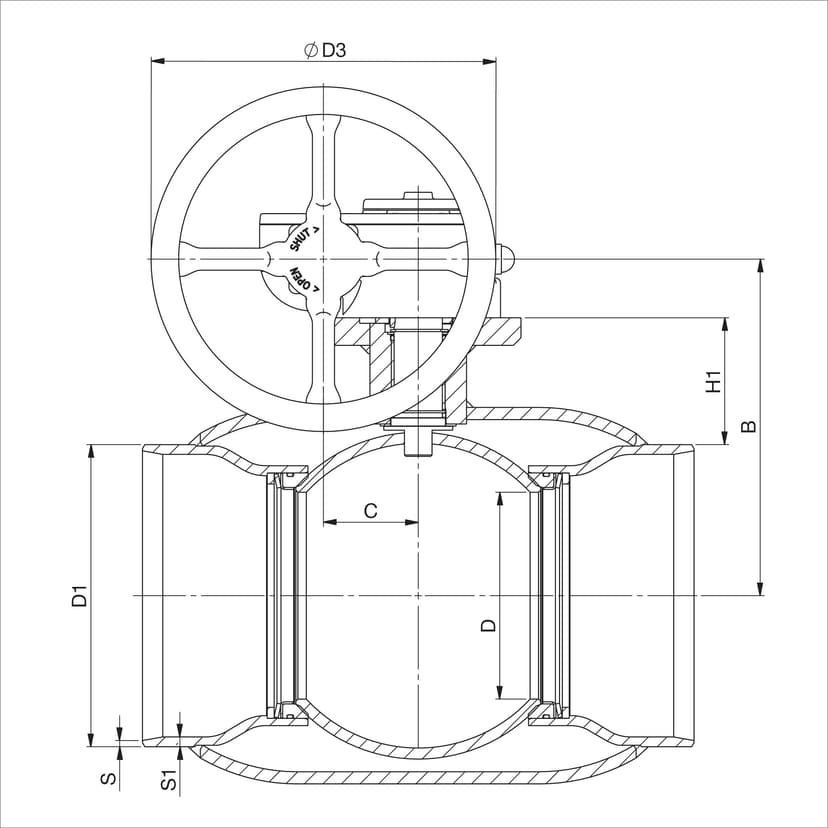
Mitat
DN 100-200

DN 100-200
| DN | PN | Tuotenro. | A | B | C | D | D1 | D2 | D3 | E | H | L | S | S1 | Kg |
|---|---|---|---|---|---|---|---|---|---|---|---|---|---|---|---|
| 100 | 25 | 104100/S | 186.0 | 196 | 53 | 80.0 | 114.3 | 139.7 | 125 | 239 | 105 | 325 | 3.6 | 6.3 | 18 |
| 125 | 25 | 104125/S | 224.0 | 216 | 53 | 100.0 | 139.7 | 177.8 | 200 | 259 | 112 | 325 | 4.0 | 6.3 | 20 |
| 150 | 25 | 104150/S | 224.0 | 236 | 53 | 125.0 | 168.3 | 219.1 | 200 | 279 | 118 | 350 | 4.1 | 7.1 | 25 |
| 200 | 25 | 104200/S | 268.0 | 244 | 69 | 150.0 | 219.1 | 273.0 | 250 | 293 | 92 | 400 | 4.5 | 7.1 | 49 |




