
Venttiilihaku
Pohjalaakeroitu palloventtiili
153/40/TR-sarja, laippa / laippa, täysaukkoinen, DN 150-900, PN 40

DN 150-900
Materiaalit
| Runko | DN 150: Teräs, P355QH (1.0571) / P355NH (1.0565) DN 200-400: Teräs, P355QH (1.0571) / P355NL1 (1.0566) / P355NH (1.0565) DN 450-900: Teräs, P355QH (1.0571) / P355NH (1.0565) |
| Pallo | DN 150-900: Teräs + ruostumaton pinnoite, ASTM A350 LF2 +Ni |
| Pallon tiiviste | DN 150-900: PTFE+C |
| Kara | DN 150-900: Haponkestävä teräs, X17CrNi16-2 (1.4057) |
| Karan tiiviste | DN 150-900: FPM |
Liitospäät
| laippa / laippa | EN 1092-1 Saatavana PN 16, 25, 40 |
Lisävarusteet
DN 150-900 on varustettu: Nostokorvat, jalusta Tyhjennysventtiili: DN 20 DN 150-400 venttiileille, DN 32 DN 450-900 venttiileille |
Operointi
| DN 150-900 | saatavilla käsivaihteella, sähköisellä tai hydraulisella toimilaitteella varustettuna. |
Toimintaolosuhteet
| Lämpötila | 0 °C - +200 °C |
| Tiiveysluokka | A (EN 12266-1) |
Alle 0 °C ota yhteyttä valmistajaan. Alin sallittu ympäristön lämpötila -20 °C.

DN 200-900
vesialue
Höyryalue (ei sallittu)
lyhytaikainen toiminta-alue
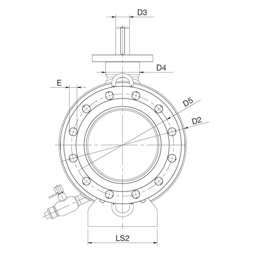
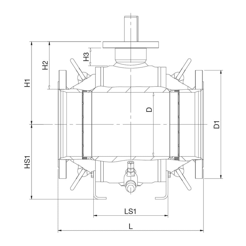
Mitat
DN 150-900

DN 150-900

DN 150-900
| DN | PN | Tuotenro. | D | D1 | D2 | D3 | D4 | D5 | E | H1 | H2 | H3 | HS1 | L | LS1 | LS2 | Kg |
|---|---|---|---|---|---|---|---|---|---|---|---|---|---|---|---|---|---|
| 150 | 40 | 153150/40/TR | 150.0 | 300 | 315 | 40 | 98 | 250 | 26 | 234.0 | 133 | 57 | 200 | 394 | 229 | 160 | 136 |
| 200 | 40 | 153200/40/TR | 201.0 | 375 | 368 | 40 | 98 | 320 | 30 | 260.0 | 150 | 56 | 235 | 457 | 234 | 200 | 192 |
| 250 | 40 | 153250/40/TR | 250.0 | 450 | 440 | 50 | 110 | 385 | 33 | 302.0 | 164 | 62 | 280 | 533 | 250 | 240 | 301 |
| 300 | 40 | 153300/40/TR | 300.0 | 515 | 510 | 50 | 110 | 450 | 33 | 337.0 | 174 | 62 | 314 | 610 | 290 | 280 | 448 |
| 350 | 40 | 153350/40/TR | 340.0 | 580 | 590 | 70 | 135 | 510 | 36 | 400.0 | 221 | 80 | 360 | 686 | 348 | 320 | 708 |
| 400 | 40 | 153400/40/TR | 385.0 | 660 | 640 | 70 | 135 | 585 | 39 | 425.0 | 220 | 80 | 390 | 762 | 362 | 350 | 884 |
| 450 | 40 | 153450/40/TR | 436.0 | 685 | 740 | 75 | 180 | 610 | 39 | 490.0 | 260 | 86 | 530 | 864 | 456 | 400 | 1123 |
| 500 | 40 | 153500/40/TR | 487.0 | 755 | 822 | 90 | 200 | 670 | 42 | 537.0 | 283 | 88 | 580 | 978 | 472 | 420 | 1375 |
| 600 | 40 | 153600/40/TR | 589.0 | 890 | 980 | 98 | 200 | 795 | 48 | 616.0 | 311 | 88 | 660 | 1097 | 524 | 450 | 2338 |
| 700 | 40 | 153700/40/TR | 684.0 | 995 | 1125 | 98 | 230 | 900 | 48 | 722.0 | 366 | 111 | 700 | 1285 | 572 | 450 | 3469 |
| 800 | 40 | 153800/40/TR | 779.0 | 1140 | 1290 | 120 | 270 | 1030 | 56 | 833.0 | 426 | 138 | 840 | 1432 | 700 | 600 | 5191 |
| 900 | 40 | 153900/40/TR | 874.0 | 1250 | 1440 | 120 | 270 | 1140 | 56 | 908.0 | 451 | 138 | 900 | 1604 | 770 | 600 | 6671 |
Kokoluokat DN 450-900 valmistaa ARMATURY Group a.s. - osa Vexveä.
Tuotteeseen liittyvät tekniset dokumentit
Käyttöohjeet


Kv-values for trunnion mounted ball valves
PDF
Trunnion mounted ball valves, operating torques
PDF