
Venttiilihaku
Teräspalloventtiili
154/GS-sarja, hitsattava / hitsattava, GOST, täysaukkoinen, DN 200-400, PN 25

DN 200-400
Materiaalit
| Runko | DN 200-400: Teräs, P235GH (1.0345) |
| Pallo | DN 200-400: Ruostumaton teräs, X5CrNi18-10 (1.4301) |
| Pallon tiiviste | DN 200-400: PTFE+C |
| Kara | DN 200-400: Ruostumaton teräs, X8CrNiS18-9 (1.4305) |
| Karan tiiviste | DN 200-400: FPM |
Liitospäät
| hitsattava / hitsattava, GOST |
Operointi
| DN 200-400 | käsivaihde |
Toimintaolosuhteet
| Lämpötila | -20 °C - +200 °C |
| Tiiveysluokka | A (EN 12266-1) |
Alle -20 °C ota yhteyttä valmistajaan. Alin sallittu ympäristön lämpötila -40 °C.

DN 200-400
vesialue
Höyryalue (ei sallittu)
lyhytaikainen toiminta-alue
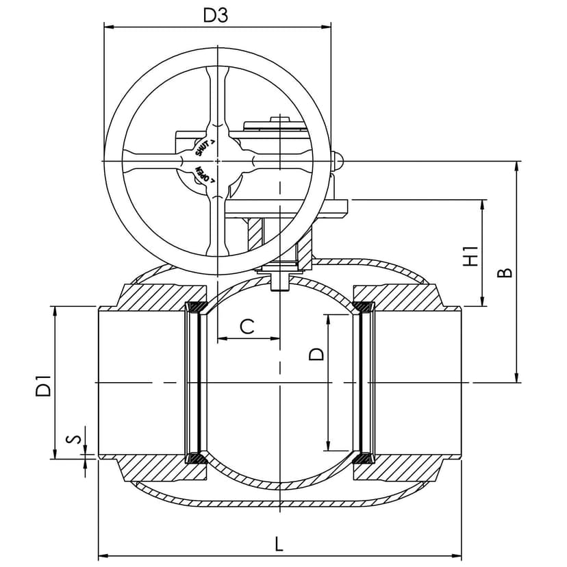
Mitat
DN 200-400

DN 200-300

DN 200-400

DN 350-400
| DN | PN | Tuotenro. | A | B | C | D | D1 | D2 | D3 | E | H1 | L | S | Kg |
|---|---|---|---|---|---|---|---|---|---|---|---|---|---|---|
| 200 | 25 | 154200/GS | 301.0 | 294 | 97 | 200.0 | 219 | 355.6 | 300 | 345 | 135.0 | 400 | 6 | 78 |
| 250 | 25 | 154250/GS | 363.0 | 343 | 117 | 250.0 | 273 | 419.0 | 600 | 413 | 148.0 | 530 | 6 | 123 |
| 300 | 25 | 154300/GS | 363.0 | 418 | 117 | 290.0 | 325 | 508.0 | 600 | 487 | 206.0 | 686 | 7 | 216 |
| 350 | 25 | 154350/GS | 440.0 | 500 | 138 | 340.0 | 377 | 610.0 | 500 | 573 | 267.0 | 762 | 7 | 305 |
| 400 | 25 | 154400/GS | 471.0 | 576 | 180 | 390.0 | 426 | 660.0 | 500 | 648 | 300.0 | 914 | 7 | 603 |
Tuotenumeromuunnokset
| Tuotenro. | Vanha Naval-numero |
|---|---|
| 154200/GS | 234436/GS |
| 154250/GS | 234437/GS |
| 154300/GS | 234438/GS |
| 154350/GS | 234495/GS |
| 154400/GS | 234479/GS |
Tuotteeseen liittyvät tekniset dokumentit
Käyttöohjeet


Ball valve kv values chart
PDF
Teräspalloventtiilit, liitäntämitat
PDF
Ball valve operating torques
PDF