
Venttiilihaku
Pohjalaakeroitu palloventtiili
150/40/TR-sarja, hitsattava / hitsattava, EN (DIN), täysaukkoinen, DN 150-1200, PN 40

DN 150-1200
Materiaalit
| Runko | DN 150-400: Teräs, P355QH (1.0571) / P355NL1 (1.0566) / P355NH (1.0565) DN 450-1200: Teräs, P355QH (1.0571) / P355NH (1.0565) |
| Pallo | DN 150-1200: Teräs + ruostumaton pinnoite, ASTM A350 LF2 +Ni |
| Pallon tiiviste | DN 150-1200: PTFE+C |
| Kara | DN 150-1200: Haponkestävä teräs, X17CrNi16-2 (1.4057) |
| Karan tiiviste | DN 150-1200: FPM |
Liitospäät
| hitsattava / hitsattava, EN (DIN) |
Lisävarusteet
DN 150-1200 on varustettu: Nostokorvat, jalusta Tyhjennysventtiili: DN 20 DN 150-400 venttiileille, DN 32 DN 450-1200 venttiileille |
Operointi
| DN 150-1200 | saatavilla käsivaihteella, sähköisellä tai hydraulisella toimilaitteella varustettuna. |
Toimintaolosuhteet
| Lämpötila | 0 °C - +200 °C |
| Tiiveysluokka | A (EN 12266-1) |
Alle 0 °C ota yhteyttä valmistajaan. Alin sallittu ympäristön lämpötila -20 °C.

DN 150-1200
vesialue
Höyryalue (ei sallittu)
lyhytaikainen toiminta-alue
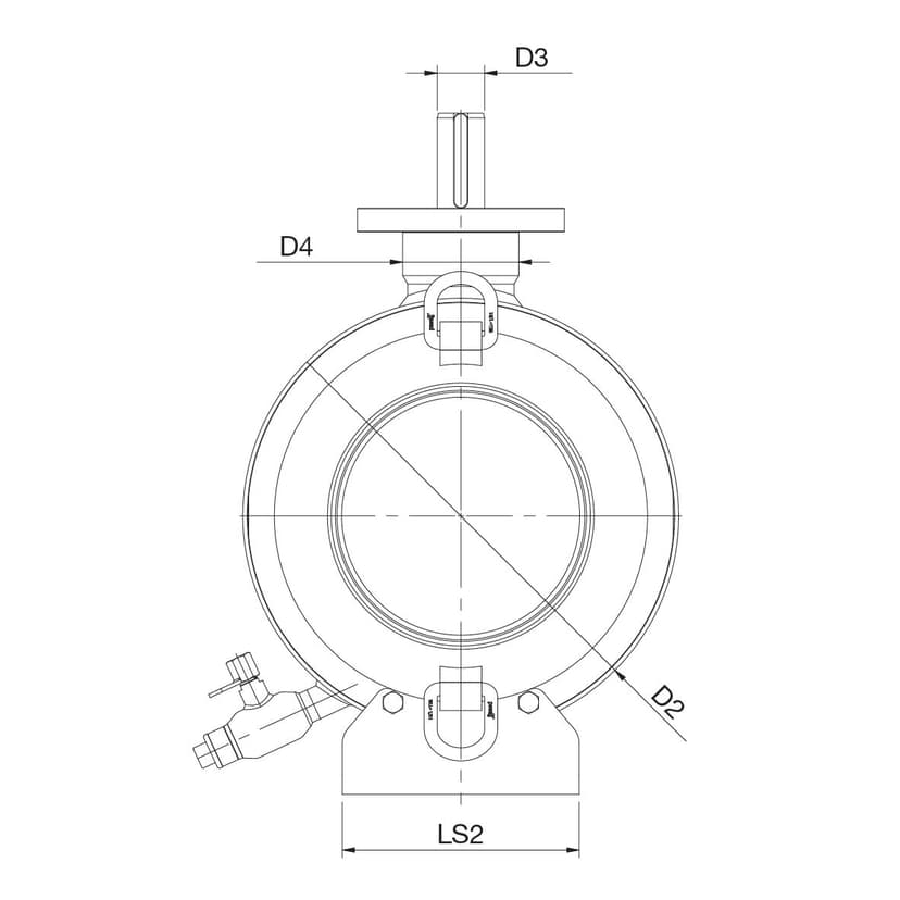
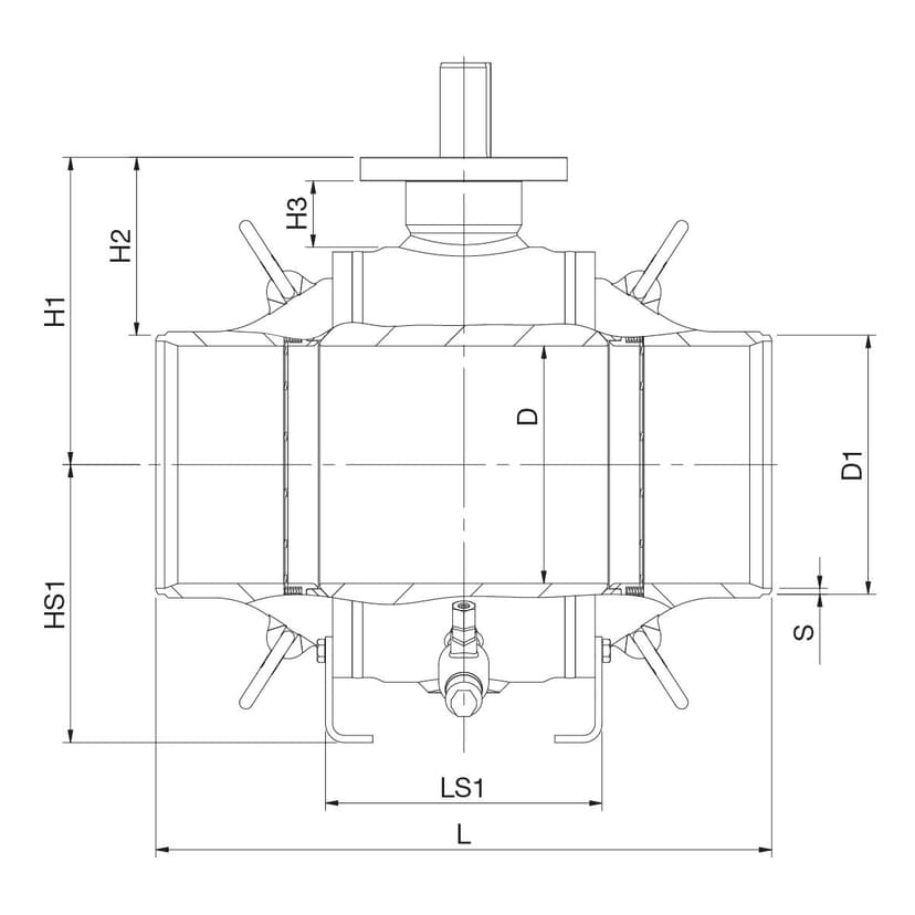
Mitat
DN 150-1200

DN 150-1200

DN 150-1200
| DN | PN | Tuotenro. | D | D1 | D2 | D3 | D4 | H1 | H2 | H3 | HS1 | L | LS1 | LS2 | S | Kg |
|---|---|---|---|---|---|---|---|---|---|---|---|---|---|---|---|---|
| 150 | 40 | 150150/40/TR | 150.0 | 168.3 | 315 | 40 | 98 | 234.0 | 150 | 57 | 200 | 457 | 229 | 160 | 4.5 | 125 |
| 200 | 40 | 150200/40/TR | 201.0 | 219.1 | 368 | 40 | 98 | 260.0 | 150 | 56 | 235 | 521 | 234 | 200 | 5.0 | 163 |
| 250 | 40 | 150250/40/TR | 250.0 | 273.0 | 440 | 50 | 110 | 302.0 | 166 | 62 | 280 | 559 | 250 | 240 | 5.0 | 251 |
| 300 | 40 | 150300/40/TR | 300.0 | 323.9 | 510 | 50 | 110 | 337.0 | 175 | 62 | 314 | 635 | 290 | 280 | 5.6 | 371 |
| 350 | 40 | 150350/40/TR | 340.0 | 355.6 | 590 | 70 | 135 | 400.0 | 222 | 80 | 360 | 762 | 348 | 320 | 6.3 | 605 |
| 400 | 40 | 150400/40/TR | 385.0 | 406.4 | 640 | 70 | 135 | 425.0 | 221 | 80 | 390 | 838 | 362 | 350 | 7.1 | 723 |
| 450 | 40 | 150450/40/TR | 436.0 | 457.0 | 740 | 75 | 180 | 490.0 | 262 | 86 | 530 | 914 | 456 | 400 | 6.3 | 997 |
| 500 | 40 | 150500/40/TR | 487.0 | 508.0 | 822 | 90 | 200 | 537.0 | 283 | 88 | 580 | 991 | 472 | 420 | 6.3 | 1272 |
| 600 | 40 | 150600/40/TR | 589.0 | 610.0 | 980 | 98 | 200 | 616.0 | 311 | 88 | 660 | 1143 | 524 | 450 | 7.1 | 2072 |
| 700 | 40 | 150700/40/TR | 684.0 | 711.0 | 1125 | 98 | 230 | 722.0 | 366 | 111 | 700 | 1346 | 572 | 450 | 8.0 | 3144 |
| 800 | 40 | 150800/40/TR | 779.0 | 813.0 | 1290 | 120 | 270 | 833.0 | 426 | 138 | 840 | 1524 | 700 | 600 | 8.8 | 4718 |
| 900 | 40 | 150900/40/TR | 874.0 | 914.0 | 1440 | 120 | 270 | 908.0 | 451 | 138 | 900 | 1727 | 770 | 600 | 10.0 | 6154 |
| 1000 | 40 | 1501000/40/TR | 976.0 | 1016.0 | 1600 | 135 | 290 | 1010.0 | 502 | 156 | 970 | 1870 | 876 | 750 | 11.0 | 8695 |
| 1200 | 40 | 1501200/40/TR | 1166.0 | 1220.0 | 1910 | 140 | 300 | 1165.0 | 555 | 156 | 1120 | 2216 | 1000 | 900 | 12.5 | 14268 |
Kysy lisätietoja asiakaspalvelultamme. Kokoluokat DN 450-1200 valmistaa ARMATURY Group a.s. - osa Vexveä.
Tuotteeseen liittyvät tekniset dokumentit
Käyttöohjeet


Kv-values for trunnion mounted ball valves
PDF
Trunnion mounted ball valves, operating torques
PDF