
Valve Finder
Trunnion mounted ball valve
Series 103/25/TR, flange / flange, reduced bore, DN 150-900, PN 25

DN 150-900
Materials
| Body | DN 150-200: Steel P235GH (1.0345) / P355NH (1.0565) DN 250-500: Steel, P355QH (1.0571) / P355NL1 (1.0566) / P355NH (1.0565) DN 600-900: Steel, P355QH (1.0571) / P355NH (1.0565) |
| Ball | DN 150-900: Steel + stainless plating, ASTM A350 LF2 +Ni |
| Ball seal | DN 150-900: PTFE+C |
| Stem | DN 150-900: Stainless steel, X17CrNi16-2 (1.4057) |
| Stem seal | DN 150-900: FPM |
Mounting
| flange / flange | EN 1092-1 Available PN 16, 25, 40 |
Equipments
DN 150 are equipped with: drain valve, DN 200-900 are equipped with: lifting lugs, mounting stand Drain valve: DN 15 for DN 150–200 valves, DN 20 for DN 250-450 valves, DN 32 for DN 500-900 valves |
Operation
| DN 150-200 | zinc-plated steel handle |
| DN 250-900 | available with manual gear or with an electric or hydraulic actuator |
DN 250-900 : Valves are available with manual gear or with an electric or hydraulic actuator
Operating conditions
| Temperature | 0 °C - +200 °C |
| Leakage rate | A (EN 12266-1) |
Below 0 °C contact manufacturer. Lowest allowed ambient temperature -20 °C.

DN 150-900
water area
Steam area (not allowed)
short-term working area
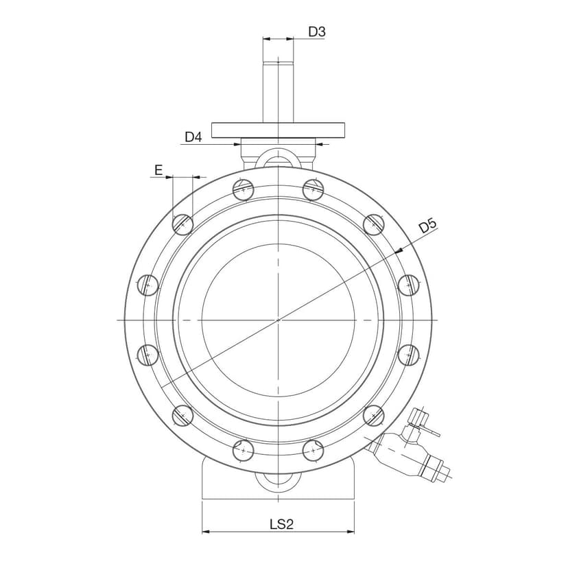
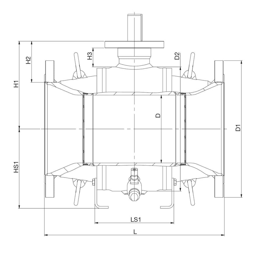
Dimensions
DN 150-900

DN 200-900

DN 200-900
| DN | PN | Product no. | A | D | D1 | D2 | D3 | D4 | D5 | E | H | H1 | H2 | H3 | HS1 | L | LS1 | LS2 | Kg |
|---|---|---|---|---|---|---|---|---|---|---|---|---|---|---|---|---|---|---|---|
| 150 | 25 | 103150/25/TR | 600.0 | 125.0 | 300 | 219.1 | 59.5 | 220 | 26 | 143.0 | 58 | 394 | 58 | ||||||
| 200 | 25 | 103200/25/TR | 870.0 | 150.0 | 360 | 273.0 | 74.5 | 310 | 26 | 264 | 179.0 | 124 | 189 | 457 | 210 | 180 | 103 | ||
| 250 | 25 | 103250/25/TR | 201.0 | 425 | 368.0 | 40 | 98.0 | 370 | 30 | 260.0 | 122 | 56 | 235 | 533 | 234 | 200 | 226 | ||
| 300 | 25 | 103300/25/TR | 250.0 | 485 | 440.0 | 50 | 110.0 | 430 | 30 | 302.0 | 139 | 62 | 280 | 610 | 250 | 240 | 338 | ||
| 350 | 25 | 103350/25/TR | 300.0 | 555 | 510.0 | 50 | 110.0 | 490 | 33 | 337.0 | 158 | 62 | 314 | 686 | 290 | 280 | 503 | ||
| 400 | 25 | 103400/25/TR | 340.0 | 620 | 590.0 | 70 | 135.0 | 550 | 36 | 400.0 | 195 | 80 | 360 | 762 | 348 | 320 | 772 | ||
| 450 | 25 | 103450/25/TR | 385.0 | 670 | 640.0 | 70 | 135.0 | 600 | 36 | 425.0 | 197 | 80 | 390 | 864 | 362 | 350 | 967 | ||
| 500 | 25 | 103500/25/TR | 436.0 | 730 | 740.0 | 75 | 180.0 | 660 | 36 | 490.0 | 225 | 86 | 530 | 914 | 456 | 400 | 1158 | ||
| 600 | 25 | 103600/25/TR | 487.0 | 845 | 822.0 | 90 | 200.0 | 770 | 39 | 537.0 | 222 | 88 | 580 | 1067 | 472 | 420 | 1600 | ||
| 700 | 25 | 103700/25/TR | 589.0 | 960 | 980.0 | 98 | 200.0 | 875 | 42 | 616.0 | 235 | 88 | 660 | 1245 | 524 | 450 | 2570 | ||
| 800 | 25 | 103800/25/TR | 684.0 | 1085 | 1125.0 | 98 | 230.0 | 990 | 48 | 722.0 | 302 | 111 | 700 | 1372 | 572 | 450 | 3622 | ||
| 900 | 25 | 103900/25/TR | 779.0 | 1185 | 1290.0 | 120 | 270.0 | 1090 | 48 | 833.0 | 358 | 138 | 840 | 1524 | 700 | 600 | 5454 |
Also available in PN 40. For more information contact our customer service. Sizes DN 500-900 manufactured by ARMATURY Group a.s. - a member of Vexve.
Product number conversions
| Product no. | Old Naval No |
|---|---|
| 103150/25/TR | |
| 103200/25/TR | 285576/TR |
| 103250/25/TR | 285577/TR |
| 103300/25/TR | 28559805/TR |
| 103350/25/TR | 28559505/TR |
| 103400/25/TR | 28559905/TR |
| 103450/25/TR | 28559105/TR |
| 103500/25/TR | 28550005/TR |
| 103600/25/TR | 28550105/TR |
| 103700/25/TR | 28550205/TR |
| 103800/25/TR | 28550405/TR |
| 103900/25/TR | 28558505/TR |


