

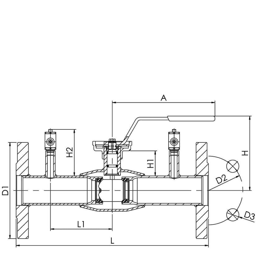
DN 65-150
Materials
| Body | DN 65-400: Steel, P235GH (1.0345) |
| Ball | DN 65-400: Stainless steel, X5CrNi18-10 (1.4301) |
| Ball seal | DN 65-400: PTFE+GF |
| Stem | DN 65-100: Stainless steel, X8CrNiS18-9 (1.4305) DN 125-150: Stainless steel, X17CrNi16-2 (1.4057) DN 200-400: Stainless steel, X8CrNiS18-9 (1.4305) |
| Stem seal | DN 65-400: FPM |
| Measuring block | DN 65-400: Self-sealing, brass / EPDM |
Mounting
| flange / flange | EN 1092-1 Available PN 10, 16, 25, 40 |
Operation
| DN 65-150 | zinc-plated steel handle |
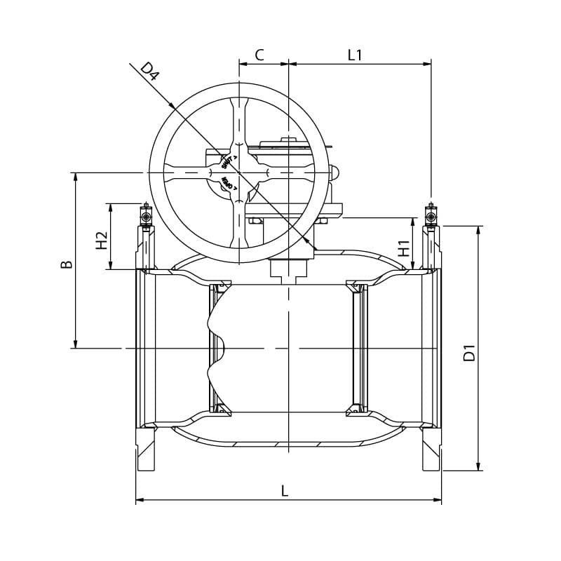
| DN 200-400 | manual gear |
Operating conditions
| Temperature | -20 °C - +200 °C |
| Leakage rate | A (EN 12266-1) |
Below -20 °C contact manufacturer. Lowest allowed ambient temperature -40 °C.

DN 65-400
water area
Steam area (not allowed)
short-term working area
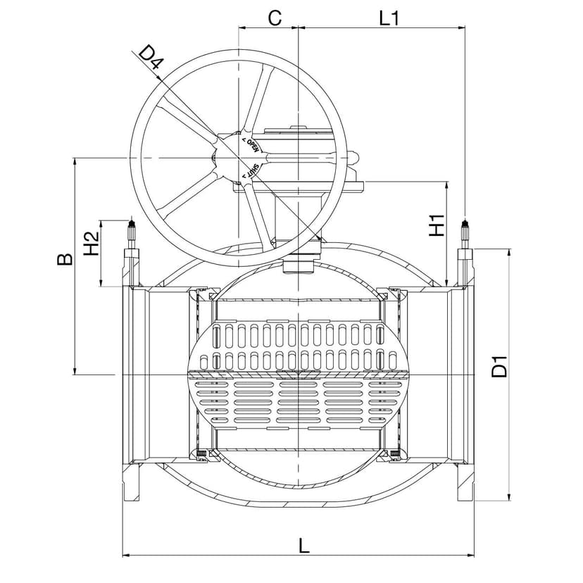
Dimensions
DN 65-400

DN 65-150

DN 200-300

DN 200-300

DN 350-400

DN 350-400
| DN | PN | Product no. | A | B | C | D | D1 | D2 | D3 | D4 | E | H | H1 | H2 | L | L1 | Kg |
|---|---|---|---|---|---|---|---|---|---|---|---|---|---|---|---|---|---|
| 65 | 25 | 143065/25 | 280.0 | 185 | 145 | 18 | 160 | 58.0 | 108 | 310 | 110.0 | 11.0 | |||||
| 80 | 25 | 143080/25 | 280.0 | 200 | 160 | 18 | 173 | 64.0 | 108 | 310 | 110.0 | 14.0 | |||||
| 100 | 25 | 143100/25 | 280.0 | 235 | 190 | 22 | 219 | 98.0 | 132 | 350 | 122.5 | 20.7 | |||||
| 125 | 25 | 143125/25 | 400.0 | 270 | 220 | 26 | 253 | 100.0 | 130 | 360 | 137.5 | 31.3 | |||||
| 150 | 25 | 143150/25 | 600.0 | 300 | 250 | 26 | 276 | 110.0 | 131 | 390 | 150.0 | 40.7 | |||||
| 200 | 25 | 143200/25 | 268.0 | 244 | 69 | 360 | 310 | 26 | 250 | 293 | 72.0 | 136 | 425 | 195.0 | 70.0 | ||
| 250 | 25 | 143250/25 | 301.0 | 294 | 97 | 425 | 370 | 30 | 300 | 345 | 88.0 | 142 | 550 | 256.0 | 128.0 | ||
| 300 | 25 | 143300/25 | 424.0 | 349 | 138 | 485 | 430 | 30 | 600 | 422 | 112.0 | 146 | 580 | 296.0 | 178.0 | ||
| 350 | 25 | 143350/25 | 424.0 | 424 | 138 | 290.0 | 555 | 490 | 33 | 600 | 498 | 192.0 | 165 | 706 | 334.0 | 300.0 | |
| 400 | 25 | 143400/25 | 444.0 | 500 | 138 | 340.0 | 620 | 550 | 36 | 500 | 573 | 242.0 | 172 | 810 | 379.0 | 424.0 |
Vexve's balancing valves can be found e.g. from libraries of TA-SCOPE and SmartBalancing measuring devices.
Product number conversions
| Product no. | Old Naval No | EAN | LVI |
|---|---|---|---|
| 143065/25 | 265570V | 6415840116080 | 4011608 |
| 143080/25 | 265571V | 6415840116097 | 4011609 |
| 143100/25 | 265572V | 6415840116103 | 4011610 |
| 143125/25 | 265573V | 6415840116110 | 4011611 |
| 143150/25 | 265574V | 6415840116127 | 4011612 |
| 143200/25 | 265576V | 6415840116134 | 4011613 |
| 143250/25 | 265577V | 6415840116141 | 4011614 |
| 143300/25 | 265578V | 6415840116158 | 4011615 |
| 143350/25 | |||
| 143400/25 | 265579 | 6415840116493 |
Technical documentation for the product
Operation manuals


Technical information of flanges
PDF
Kv Value Chart Of Vexve Floating Ball Valves
PDF
Balancing valves adjustment instructions DN 15–150
PDF
Balancing valves adjustment Instructions DN 200–400
PDF
Balancing valves, steel and stainless steel Installation, operation and maintenance manual
PDF
Vexve Ball Valves Operating Torques EN
PDF
Vexve X shut-off and balancing valves instructions for installation, operation, adjustment and maintenance
PDF