

DN 15-150
Materials
| Body | DN 15-150: Steel, P235GH (1.0345) |
| Ball | DN 15-150: Stainless steel, X5CrNi18-10 (1.4301) |
| Ball seal | DN 15-150: PTFE+GF |
| Stem | DN 15-100: Stainless steel, X8CrNiS18-9 (1.4305) DN 125-150: Stainless steel, X17CrNi16-2 (1.4057) |
| Stem seal | DN 15-50: FFKM/FFKM DN 65-150: FFKM/EPDM |
Mounting
| flange / flange | EN 1092-1 Available PN 10, 16, 25, 40 |
Operation
| DN 15-150 | zinc-plated steel handle |
Operating conditions
| Temperature | -20 °C - +250 °C |
| Leakage rate | A (EN 12266-1) |
Below -20 °C contact manufacturer. Lowest allowed ambient temperature -40 °C. *) Not for superheated steam.

DN 15-150
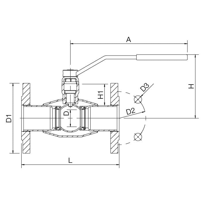
Dimensions
DN 15-150

DN 15-150
| DN | PN | Product no. | A | D | D1 | D2 | D3 | H | H1 | L | Kg |
|---|---|---|---|---|---|---|---|---|---|---|---|
| 15 | 40 | 173015X | 147.0 | 10.0 | 95 | 65 | 14 | 116 | 33.0 | 130 | 1.8 |
| 20 | 40 | 173020X | 147.0 | 15.0 | 105 | 75 | 14 | 120 | 34.0 | 150 | 2.5 |
| 25 | 40 | 173025X | 147.0 | 20.0 | 115 | 85 | 14 | 122 | 33.0 | 160 | 3.0 |
| 32 | 40 | 173032X | 147.0 | 25.0 | 140 | 100 | 18 | 126 | 32.0 | 180 | 4.6 |
| 40 | 40 | 173040X | 147.0 | 32.0 | 150 | 110 | 18 | 131 | 34.0 | 200 | 5.1 |
| 50 | 40 | 173050X | 147.0 | 40.0 | 165 | 125 | 18 | 138 | 35.0 | 230 | 6.8 |
| 65 | 25 | 173065/25 | 278.0 | 50.0 | 185 | 145 | 18 | 156 | 62.0 | 270 | 10.0 |
| 80 | 25 | 173080/25 | 278.0 | 65.0 | 200 | 160 | 18 | 168 | 68.0 | 280 | 13.0 |
| 100 | 25 | 173100/25 | 278.0 | 80.0 | 235 | 190 | 22 | 218 | 101.0 | 300 | 20.2 |
| 125 | 25 | 173125/25 | 400.0 | 100.0 | 270 | 220 | 26 | 253 | 101.0 | 325 | 30.0 |
| 150 | 25 | 173150/25 | 600.0 | 125.0 | 300 | 250 | 26 | 272 | 107.0 | 350 | 39.0 |
Product number conversions
| Product no. | Old Naval No | EAN | LVI |
|---|---|---|---|
| 173015X | 274503 | 6415837554734 | 3755473 |
| 173020X | 274505 | 6415837554741 | 3755474 |
| 173025X | 274506 | 6415837554758 | 3755475 |
| 173032X | 274507 | 6415837554765 | 3755476 |
| 173040X | 274508 | 6415837554772 | 3755477 |
| 173050X | 274509 | 6415837554789 | 3755478 |
| 173065/25 | 274510 | 6415837554796 | 3755479 |
| 173080/25 | 274511 | 6415837554802 | 3755480 |
| 173100/25 | 274512 | 6415837554819 | 3755481 |
| 173125/25 | 274573 | 6415837554826 | 3755482 |
| 173150/25 | 274574 | 6415837554833 | 3755483 |


