
Valve Finder
Trunnion mounted ball valve
Series 100/TR, welding / welding, EN (DIN), reduced bore, DN 150-1200, PN 25

DN 150-1200
Materials
| Body | DN 150-200: Steel P235GH (1.0345) / P355NH (1.0565) DN 250-450: Steel, P355QH (1.0571) / P355NL1 (1.0566) / P355NH (1.0565) DN 500-1200: Steel, P355QH (1.0571) / P355NH (1.0565) |
| Ball | DN 150-1200: Steel + stainless plating, ASTM A350 LF2 +Ni |
| Ball seal | DN 150-1200: PTFE+C |
| Stem | DN 150-1200: Stainless steel, X17CrNi16-2 (1.4057) |
| Stem seal | DN 150-1200: FPM |
Mounting
| welding / welding, EN (DIN) |
Equipments
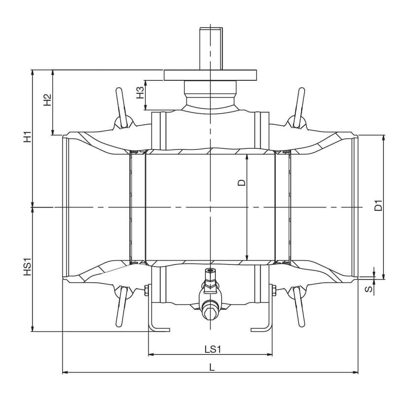
DN 150 are equipped with: drain valve, DN 200-1200 are equipped with: lifting lugs, mounting stand Drain valve: DN 15 for DN 150–200 valves, DN 20 for DN 250-450 valves, DN 32 for DN 500-1200 valves |
Operation
| DN 150-200 | zinc-plated steel handle |
| DN 250-1200 | available with manual gear or with an electric or hydraulic actuator |
Operating conditions
| Temperature | 0 °C - +200 °C |
| Leakage rate | A (EN 12266-1) |
Below 0 °C contact manufacturer. Lowest allowed ambient temperature -20 °C.

DN 150-1200
water area
Steam area (not allowed)
short-term working area
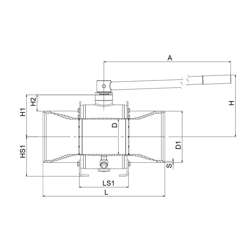
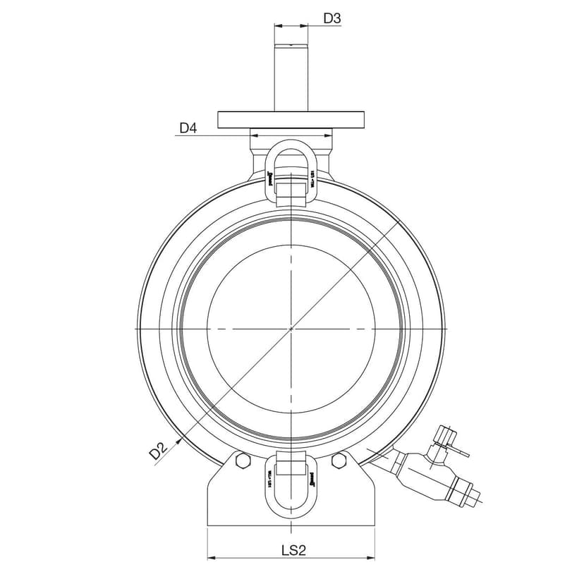
Dimensions
DN 150-1200

DN 150-200

DN 200-1200

DN 200-1200
| DN | PN | Product no. | A | D | D1 | D2 | D3 | D4 | H | H1 | H2 | H3 | HS1 | L | LS1 | LS2 | S | Kg |
|---|---|---|---|---|---|---|---|---|---|---|---|---|---|---|---|---|---|---|
| 150 | 25 | 100150/TR | 600.0 | 125.0 | 168.3 | 219.1 | 59.5 | 223 | 143.0 | 59 | 457 | 4.5 | 46 | |||||
| 200 | 25 | 100200/TR | 870.0 | 150.0 | 219.1 | 273.0 | 74.5 | 264 | 179.0 | 70 | 189 | 521 | 210 | 180 | 5.0 | 88 | ||
| 250 | 25 | 100250/TR | 201.0 | 273.0 | 368.0 | 40 | 98.0 | 260.0 | 124 | 56 | 235 | 559 | 234 | 200 | 5.0 | 195 | ||
| 300 | 25 | 100300/TR | 250.0 | 323.9 | 440.0 | 50 | 110.0 | 302.0 | 140 | 62 | 280 | 635 | 250 | 240 | 5.6 | 298 | ||
| 350 | 25 | 100350/TR | 300.0 | 355.6 | 510.0 | 50 | 110.0 | 337.0 | 159 | 62 | 314 | 762 | 290 | 280 | 6.3 | 457 | ||
| 400 | 25 | 100400/TR | 340.0 | 406.4 | 590.0 | 70 | 135.0 | 400.0 | 197 | 80 | 360 | 838 | 348 | 320 | 7.1 | 707 | ||
| 450 | 25 | 100450/TR | 385.0 | 457.0 | 640.0 | 70 | 135.0 | 425.0 | 197 | 80 | 390 | 914 | 362 | 350 | 6.3 | 882 | ||
| 500 | 25 | 100500/TR | 436.0 | 508.0 | 740.0 | 75 | 180.0 | 490.0 | 236 | 86 | 530 | 991 | 456 | 400 | 6.3 | 1057 | ||
| 600 | 25 | 100600/TR | 487.0 | 610.0 | 822.0 | 90 | 200.0 | 537.0 | 232 | 88 | 580 | 1143 | 472 | 420 | 7.1 | 1482 | ||
| 700 | 25 | 100700/TR | 589.0 | 711.0 | 980.0 | 98 | 200.0 | 616.0 | 261 | 88 | 660 | 1346 | 524 | 450 | 8.0 | 2480 | ||
| 800 | 25 | 100800/TR | 684.0 | 813.0 | 1125.0 | 98 | 230.0 | 722.0 | 315 | 111 | 700 | 1524 | 572 | 450 | 8.8 | 3522 | ||
| 900 | 25 | 100900/TR | 779.0 | 914.0 | 1290.0 | 120 | 270.0 | 833.0 | 376 | 138 | 840 | 1727 | 700 | 600 | 10.0 | 5393 | ||
| 1000 | 25 | 1001000/TR | 874.0 | 1016.0 | 1440.0 | 120 | 270.0 | 908.0 | 400 | 138 | 900 | 2000 | 770 | 600 | 11.0 | 6851 | ||
| 1200 | 25 | 1001200/TR | 976.0 | 1220.0 | 1600.0 | 135 | 290.0 | 1010.0 | 400 | 156 | 970 | 2216 | 876 | 750 | 12.5 | 10935 |
Also available in PN 40. For more information contact our customer service. Sizes DN 500-1200 manufactured by ARMATURY Group a.s. - a member of Vexve.
Product number conversions
| Product no. | Old Naval No |
|---|---|
| 100150/TR | |
| 100200/TR | 284416/TR |
| 100250/TR | 284417/TR |
| 100300/TR | 28443805/TR |
| 100350/TR | 28449505/TR |
| 100400/TR | 28443905/TR |
| 100450/TR | 28444205/TR |
| 100500/TR | 28444005/TR |
| 100600/TR | 28444105/TR |
| 100700/TR | 28448205/TR |
| 100800/TR | 28448305/TR |
| 100900/TR | 28448405/TR |
| 1001000/TR | |
| 1001200/TR |


