

DN 65-250
Materials
| Body | DN 65-500: Steel, P235GH (1.0345) |
| Ball | DN 65-500: Stainless steel, X5CrNi18-10 (1.4301) |
| Ball seal | DN 65-500: PTFE+C |
| Stem | DN 65-100: Stainless steel, X8CrNiS18-9 (1.4305) DN 125-150: Stainless steel, X17CrNi16-2 (1.4057) DN 200-500: Stainless steel, X8CrNiS18-9 (1.4305) |
| Stem seal | DN 65-500: FPM |
Mounting
| flange / flange | EN 1092-1 Available PN 10, 16, 25, 40 |
Operation
| DN 65-250 | zinc-plated steel handle |
| DN 300-500 | available with manual gear or with an electric or hydraulic actuator |
We recommend manual gear operation for sizes DN 200 and larger.
Operating conditions
| Temperature | -20 °C - +200 °C |
| Leakage rate | A (EN 12266-1) |
Below -20 °C contact manufacturer. Lowest allowed ambient temperature -40 °C.

DN 65-500
water area
Steam area (not allowed)
short-term working area
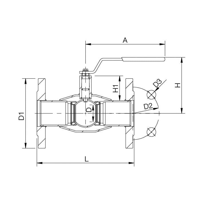
Dimensions
DN 65-500

DN 65-150

DN 200-250

DN 300-500

DN 300-500
| DN | PN | Product no. | A | D | D1 | D2 | D3 | D4 | H | H1 | L | Kg |
|---|---|---|---|---|---|---|---|---|---|---|---|---|
| 65 | 25 | 103065/25 | 277.5 | 50.0 | 185 | 145 | 18 | 159 | 62.0 | 270 | 11.3 | |
| 80 | 25 | 103080/25 | 277.5 | 65.0 | 200 | 160 | 18 | 171 | 68.0 | 280 | 14.9 | |
| 100 | 25 | 103100/25 | 278.5 | 80.0 | 235 | 190 | 22 | 218 | 101.0 | 300 | 19.0 | |
| 125 | 25 | 103125/25 | 400.0 | 100.0 | 270 | 220 | 26 | 252 | 101.0 | 325 | 29.0 | |
| 150 | 25 | 103150/25 | 600.0 | 125.0 | 300 | 250 | 26 | 272 | 107.0 | 350 | 37.0 | |
| 200 | 25 | 103200/25 | 870.0 | 150.0 | 360 | 310 | 26 | 280 | 92.0 | 400 | 67.0 | |
| 250 | 25 | 103250/25 | 1200.0 | 200.0 | 425 | 370 | 30 | 350 | 108.0 | 500 | 114.0 | |
| 300 | 25 | 103300/25 | 250.0 | 485 | 430 | 30 | 50 | 133.0 | 500 | 163.0 | ||
| 350 | 25 | 103350/25 | 290.0 | 555 | 490 | 33 | 50 | 192.0 | 706 | 254.0 | ||
| 400 | 25 | 103400/25 | 340.0 | 620 | 550 | 36 | 70 | 242.0 | 810 | 365.0 | ||
| 450 | 25 | 103450/25 | 390.0 | 670 | 600 | 36 | 90 | 282.0 | 978 | 654.0 | ||
| 500 | 25 | 103500/25 | 390.0 | 730 | 660 | 36 | 90 | 259.0 | 978 | 574.0 |
Product number conversions
| Product no. | Old Naval No | EAN | LVI | RSK |
|---|---|---|---|---|
| 103065/25 | 285570 | 6415837553669 | 3755366 | 5497047 |
| 103080/25 | 285571 | 6415837553676 | 3755367 | 5497048 |
| 103100/25 | 285572 | 6415837553683 | 3755368 | 5497049 |
| 103125/25 | 285573 | 6415837553690 | 3755369 | 5497050 |
| 103150/25 | 285574 | 6415837553706 | 3755370 | 5497051 |
| 103200/25 | 285576 | 6415837553713 | 3755371 | 5497052 |
| 103250/25 | 285577 | 6415837553720 | 3755372 | 5497052 |
| 103300/25 | 28559805 | 6415837553737 | 3755373 | |
| 103350/25 | 28559505 | 6415837553744 | 3755374 | 5497053 |
| 103400/25 | 28559905 | 6415837553751 | 3755375 | 5497054 |
| 103450/25 | ||||
| 103500/25 | 28550005 | 5497055 |
Technical documentation for the product
Certificates


EPD HUB 2146 VexveSteelBallValves 2024 12 17
PDF
Operation manuals

Vexve steel ball valves, installation, operation and maintenance manual
PDF
Technical information of flanges
PDF
Kv Value Chart Of Vexve Floating Ball Valves
PDF
Steel ball valves, coupling dimensions
PDF
Vexve Ball Valves Operating Torques EN
PDF
Vexve X shut-off and balancing valves instructions for installation, operation, adjustment and maintenance
PDF