
Valve Finder
Trunnion mounted ball valve
Series 157/TR/HG, welding / welding, EN (DIN), full bore, DN 125-900, PN 25

DN 125-900
Materials
| Body | DN 125-150: Steel P235GH (1.0345) / P355NH (1.0565) DN 200-400: Steel, P355QH (1.0571) / P355NL1 (1.0566) / P355NH (1.0565) DN 450-900: Steel, P355QH (1.0571) / P355NH (1.0565) |
| Ball | DN 125-900: Steel + stainless plating, ASTM A350 LF2 +Ni |
| Ball seal | DN 125-900: PTFE+C |
| Stem | DN 125-900: Stainless steel, X17CrNi16-2 (1.4057) |
| Stem seal | DN 125-900: FPM |
| Top of Stem | DN 125-900: Stainless steel, X5CrNi18-10 (1.4301) |
Mounting
| welding / welding, EN (DIN) |
Equipments
DN 150-900 are equipped with: lifting lugs, mounting stand |
Operation
| DN 125-900 | valves are available with angle gear standard hexagon adapter 27 or 32 mm |
Operating conditions
| Temperature | 0 °C - +200 °C |
| Leakage rate | A (EN 12266-1) |
Below 0 °C contact manufacturer. Lowest allowed ambient temperature -20 °C.

DN 125-900
water area
Steam area (not allowed)
short-term working area
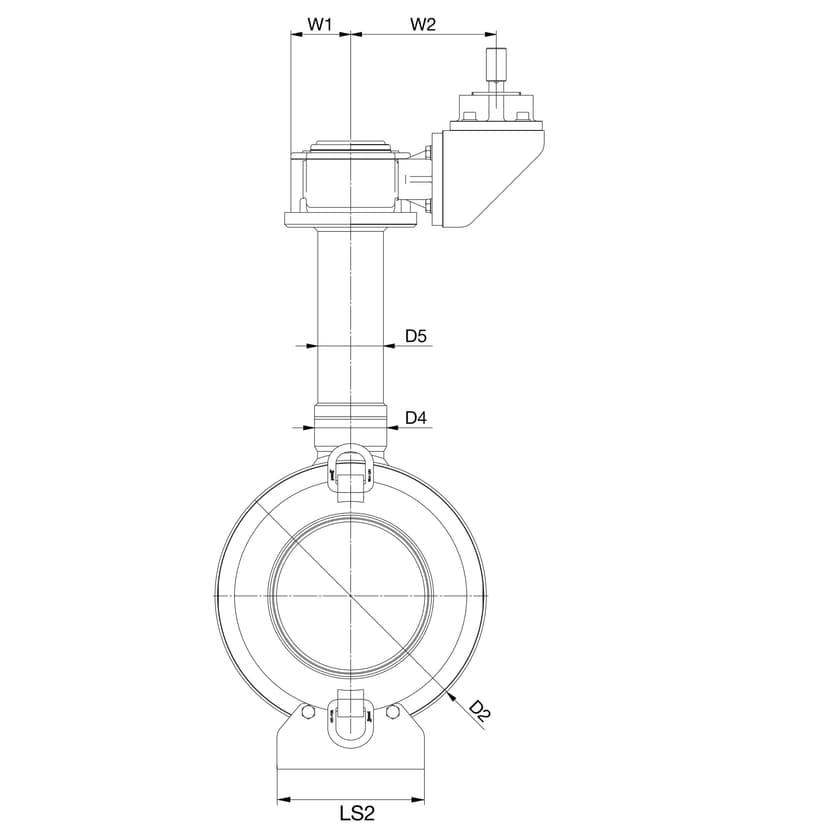
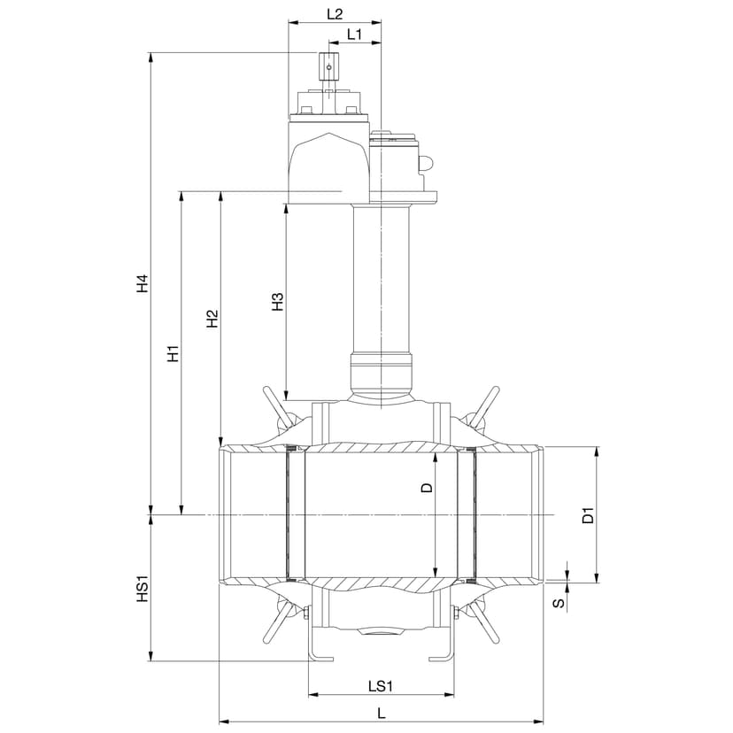
Dimensions
DN 125-900

DN 125-900

DN 125-900
| DN | PN | Product no. | D | D1 | D2 | D4 | D5 | H1 | H2 | H3 | H4 | HS1 | L | L1 | L2 | LS1 | LS2 | S | W1 | W2 | Kg |
|---|---|---|---|---|---|---|---|---|---|---|---|---|---|---|---|---|---|---|---|---|---|
| 125 | 25 | 157125/TR/HG | 125.0 | 139.7 | 219.1 | 59.5 | 60.3 | 423.0 | 353 | 299 | 643 | 320 | 69.0 | 134 | 4.5 | 68 | 188 | 56 | |||
| 150 | 25 | 157150/TR/HG | 150.0 | 168.3 | 273.0 | 74.5 | 76.1 | 459.0 | 375 | 303 | 682 | 169 | 457 | 84.0 | 149 | 210 | 160 | 4.5 | 81 | 198 | 102 |
| 200 | 25 | 157200/TR/HG | 200.0 | 219.1 | 368.0 | 98.0 | 88.9 | 520.0 | 410 | 316 | 743 | 235 | 521 | 84.0 | 149 | 234 | 200 | 5.0 | 81 | 198 | 191 |
| 250 | 25 | 157250/TR/HG | 250.0 | 273.0 | 440.0 | 110.0 | 114.3 | 568.0 | 432 | 338 | 795 | 280 | 559 | 118.0 | 183 | 250 | 240 | 5.0 | 125 | 233 | 296 |
| 300 | 25 | 157300/TR/HG | 300.0 | 323.9 | 510.0 | 110.0 | 114.3 | 603.0 | 441 | 328 | 830 | 314 | 635 | 118.0 | 183 | 290 | 280 | 5.6 | 125 | 233 | 416 |
| 350 | 25 | 157350/TR/HG | 340.0 | 355.6 | 590.0 | 135.0 | 139.7 | 695.0 | 517 | 375 | 924 | 360 | 762 | 138.0 | 222 | 348 | 320 | 6.3 | 150 | 235 | 663 |
| 400 | 25 | 157400/TR/HG | 385.0 | 406.4 | 640.0 | 135.0 | 139.7 | 720.0 | 517 | 375 | 949 | 390 | 838 | 138.0 | 222 | 362 | 350 | 7.1 | 150 | 235 | 781 |
| 450 | 25 | 157450/TR/HG | 436.0 | 457.0 | 740.0 | 219.1 | 219.1 | 720.0 | 492 | 316 | 947 | 530 | 914 | 182.0 | 267 | 456 | 400 | 6.3 | 188 | 236 | 1120 |
| 500 | 25 | 157500/TR/HG | 487.0 | 508.0 | 822.0 | 244.5 | 244.5 | 761.0 | 507 | 312 | 987 | 580 | 991 | 182.0 | 267 | 472 | 420 | 6.3 | 188 | 236 | 1408 |
| 600 | 25 | 157600/TR/HG | 589.0 | 610.0 | 980.0 | 244.5 | 244.5 | 840.0 | 535 | 312 | 1068 | 660 | 1143 | 180.0 | 264 | 524 | 450 | 7.1 | 188 | 363 | 2205 |
| 700 | 25 | 157700/TR/HG | 684.0 | 711.0 | 1125.0 | 273.0 | 273.0 | 932.0 | 576 | 323 | 1175 | 700 | 1346 | 253.0 | 337 | 572 | 450 | 8.0 | 255 | 498 | 3392 |
| 800 | 25 | 157800/TR/HG | 779.0 | 813.0 | 1290.0 | 298.0 | 298.0 | 1045.0 | 638 | 350 | 1296 | 840 | 1524 | 253.0 | 362 | 700 | 600 | 8.8 | 255 | 420 | 5004 |
| 900 | 25 | 157900/TR/HG | 874.0 | 914.0 | 1440.0 | 298.0 | 298.0 | 1120.0 | 663 | 350 | 1371 | 750 | 1727 | 253.0 | 362 | 770 | 600 | 10.0 | 255 | 420 | 6450 |
Also available in PN 40. For more information contact our customer service. Sizes DN 450-900 manufactured by ARMATURY Group a.s. - a member of Vexve.

